4조-세이프워시
|
👨🎓 구성원 및 추진체계
구성원 소개
| 역할 | 이름 | 학번 | 주요 담당 분야 |
|---|---|---|---|
| 팀장 | 이*현 | 20204300** | 프로젝트 총괄, 제어 로직 및 이론 계산 |
| 팀원 | 김*호 | 20204300** | 구매 및 하드웨어 제작 주도 |
| 팀원 | 이*민 | 20204300** | 3D 모델링 및 기구 설계 |
| 팀원 | 전*형 | 20204300** | 중앙 제어 시스템 및 SW 구현 |
개발 일정
| 기간 | 주요 활동 | 달성 목표 |
|---|---|---|
| 9월 (1차) | 개념설계 및 문헌/기술 조사 | 프로젝트 아이디어 확정 및 기술적 검토 완료 |
| 10월 (2차) | 상세 설계 및 부품 구매/발주 | 3D 모델링 완료, 주요 부품 스펙 확정 |
| 11월 (3차) | 시제품 제작, 회로 구성 및 SW 구현 | 하드웨어 조립 및 제어 로직 프로그래밍 |
| 12월 (4차) | 최종 통합 테스트 및 성능 평가 | 정량적 목표 달성 확인 및 최종 보고 |
📜 서론: 비접촉 정밀 제어의 필요성
개발 과제의 개요
개발 과제 요약
본 과제는 수전 조작의 위생성과 사용 편의성을 혁신적으로 향상시키기 위해, 발로 조작하는 전자식 풋 레버를 활용하여 수전의 온도와 유량을 정밀하게 제어할 수 있는 스마트 수전 시스템인 SafeWash를 개발하는 것입니다.
- 시스템 목표 및 구조 혁신:
- SafeWash는 기존 기계식 카트리지에서 수행되던 혼합 및 유량 조절 기능을 완전한 전자식으로 대체하는 디지털 수전 제어 플랫폼을 구현합니다.
- 사용자는 손을 사용하지 않고도 원하는 온도와 세기를 안정적이고 반복 가능하게 설정할 수 있습니다.
- 이 시스템은 기존 절수 페달 구조의 한계(단순 On/Off 제어)를 넘어선 전자식 단계 제어 방식으로 확장하는 데 중점을 두었습니다.
- 핵심 제어 원리 및 구성:
- 입력부: 사용자는 풋 페달을 통해 냉수와 온수의 제어 신호를 입력합니다. 풋 페달은 순간/연속 신호를 모두 감지할 수 있도록 설계되었으며, 이를 통해 단계적 제어 및 다양한 조작 패턴을 식별할 수 있습니다.
- 통신 및 신호 처리: 풋 페달 입력 신호는 ESP32-C3를 통해 수집 및 디지털 신호로 변환되며, 블루투스(BLE)를 이용하여 라즈베리파이 5 기반의 중앙 제어부로 무선 전송됩니다.
- 구동부: 중앙 제어부는 이 신호를 실시간으로 처리하여 두 개의 비례제어 솔레노이드 밸브의 개도율을 독립적으로 조절합니다. 냉수와 온수 밸브의 개도 비율을 제어함으로써 최종 혼합수의 목표 수온이 결정되고, 밸브의 총 개도량에 따라 유량이 결정됩니다.
- 정밀도 확보: 이 과정에서 목표 수온을 ±0.5℃ 이내로 정밀하게 제어할 수 있는 로직을 적용합니다.
- 시스템 유연성 및 확장성:
- 본 시스템은 모듈형 구조와 UI 기반의 사용자 설정 기능을 제공하여 향후 확장성, 유지보수성, 스마트홈 연동 가능성까지 고려한 차세대 주방 수전 기술을 목표로 합니다.
- 특히, 새로운 기능 구현의 핵심은 기계 구조가 아닌 제어 알고리즘, 신호 처리, 사용 인터페이스 및 전체 시스템의 통합 설계에 있습니다.
- 라즈베리파이에 연결된 디스플레이 UI는 현재 설정 단계를 사용자에게 시각적으로 제공하여 직관적인 조작을 돕습니다.
개발 과제의 배경
본 과제는 위생과 기능성이라는 두 가지 핵심 문제 인식을 바탕으로 시작되었습니다.
- 1차 문제: 교차 감염 위험성 제거
- 현대 사회에서 위생 관리는 매우 중요한 문제입니다. 특히 공공시설과 같이 다수의 사람들이 사용하는 장소에서 위생 관리는 필수적입니다.
- 화장실, 주방 등 다수가 사용하는 수도의 손잡이는 많은 사람이 반복적으로 접촉하는 부분으로, 세균이나 바이러스가 쉽게 전파될 수 있는 대표적인 교차 감염의 원인입니다.
- 이러한 환경에서 손잡이 접촉으로 인한 교차 감염 및 감염병 전파를 최소화하기 위해서는 손을 사용하지 않는 비접촉식(Touchless) 시스템의 도입이 필수적입니다.
- 2차 문제: 기존 비접촉 제품의 기능적 한계 극복
- 기존에 위생 확보를 위해 존재하는 절수 페달 장치는 손을 사용하지 않고 수도를 켜고 끌 수 있지만, 단순히 On/Off 기능에만 국한되어 있습니다.
- 따라서 공공시설을 포함한 다양한 사용 환경에서는 목적에 따라 적절한 물의 온도 및 유량(세기) 조절이 필요하지만, 기존 절수 페달로는 이러한 정밀한 제어가 불가능하다는 명확한 한계를 가지고 있습니다.
개발 과제의 목표 및 내용
본 과제의 총괄 목표는 발로 온도 및 유량을 조작할 수 있는 절수 패달을 만드는 것이다. 수도를 켜고 끄는 기능만 가지고 있는 기존 절수 패달에서 더 나아가 온도와 유량을 조절할 수 있는 절수 패달을 설계한다. 이를 통해 사용자는 손을 사용하지 않고도 수전의 모든 기능을 편리하게 제어할 수 있다. 특히 손잡이와의 접촉을 최소화하여 공공시설 등에서 발생할 수 있는 교차 감염 위험을 크게 줄여 더욱 위생적인 수전 조작 환경을 제공하고자 한다.
|
관련 기술의 현황
관련 기술의 현황 및 분석(State of art)
- 전 세계적인 기술현황 비교
| 기술 | 작동 원리 및 특징 | SafeWash 대비 한계점 |
|---|---|---|
| IR 센서 수전 | 적외선 센서 기반 On/Off 제어 | 온도/유량 조절 불가능, 환경 인식 오류 |
| 음성인식 스마트 수도 | AI 연동, 전자식 밸브로 정량/온도 제어 가능 | 인터넷 필수, 소음으로 인식률 저하 |
| 기계식 절수 페달 | 발로 단순 On/Off 제어 | 수온/수압 조절 불가능 |
IR 센서 수전

전자식 제어 수전(KOHLER)
기계식 절수 페달
- 기술 로드맵: 미래 수전의 진화
| 구분 | 단계 | 특징 |
|---|---|---|
| 과거 | 💧 2핸들 → 1핸들 레버 수전 | 기계식 혼합/유량 제어 |
| 현재 | 🦶 기계식 페달 / 🖐️ IR 센서 | 위생성(비접촉) 확보, 정밀 제어 부족 |
| SafeWash | ✨ 페달 기반 디지털 제어 | 발 입력 기반 단계적 제어, UI를 통한 사용자 맞춤 설정 |
관련 특허 조사
| 특허 번호/출원인 | 10-0314966 / 홍해원 |
|---|---|
| 특허명 | 자동 온도 조절이 가능한 풋 밸브형 절수식 샤워기 |
| 핵심 기술 | 기계식 풋 밸브: 발로 페달을 밟는 동작만으로 물을 켜고 끌 수 있어 손을 사용하지 않는 편리함과 절수 효과를 제공한다. |
| 자동 온도 조절: 혼합수의 온도에 따라 물리적으로 팽창/수축하는 '팽창성 부재'(왁스)를 내장한 밸브가 온수 유입량을 기계적으로 조절하여, 미리 설정된 온도를 자동으로 유지한다. | |
| 워터 해머링 방지: 니들 밸브와 피스톤의 이중 밸브 구조를 통해 주 밸브가 서서히 열리고 닫히도록 설계하여 수압의 급격한 변화로 인한 충격을 방지한다. | |
| 차별성 | 제어 방식의 차이: 본 특허가 왁스의 물리적 팽창과 기계적 구조에 의존하는 반면, 본 과제는 라즈베리파이와 아두이노를 이용한 완전한 전자식 제어 방식을 채택하여 소프트웨어로 모든 동작을 관리한다. |
| 능동적 제어 기능: 본 특허는 미리 설정된 단일 온도를 '유지'하는 수동적 기능에 머무르지만, 본 과제는 사용자가 페달 조작을 통해 온도와 수압을 각각 5단계로 실시간 변경하는 능동적인 제어 기능을 제공한다. | |
| 사용자 인터페이스(UI) 및 확장성: 본 특허는 UI가 없는 순수 기계 장치이나, 본 과제는 디스플레이를 통해 사용자가 각 단계를 시각적으로 확인하고 직접 설정을 변경하는 등 개인화, 향후 기능 확장이 가능하다. |
| 특허 번호/출원인 | 10-1063789 / 주식회사 선도전자 |
|---|---|
| 특허명 | 페달조작에 의한 싱크대용 급수장치 |
| 핵심 기술 | 케이블 연동 기계식 제어: 페달 유닛과 급수 밸브 유닛을 물리적인 케이블로 연결하여, 페달의 움직임으로 밸브의 작동 레버를 직접 당겨 조작한다. |
| 기계식 래치를 이용한 On/Off 토글: 페달 유닛 내부에 래치라는 기계식 잠금장치를 두어, 페달을 한 번 밟으면 밸브가 열린 상태로 고정되고, 다시 밟으면 잠금이 풀려 밸브가 닫히는 On/Off 토글 기능을 구현한다. | |
| 혼합수 유량 제어: 수전에서 미리 혼합된 물을 급수밸브 유닛으로 받아, 페달 조작을 통해 이 혼합수의 흐름만을 켜고 끄는 역할을 수행한다. | |
| 차별성 | 제어 방식의 차이: 이 특허가 케이블과 래치를 이용한 완전한 기계식인 반면, 본 과제는 블루투스 무선 통신과 소프트웨어 로직으로 밸브를 제어하는 완전한 전자식이다. |
| 제어 대상의 차이: 이 특허는 미리 만들어진 혼합수의 흐름만 제어하지만, 본 과제는 냉수와 온수 밸브를 각각 독립적으로 제어하여 원하는 온도와 수압의 혼합수를 직접 생성한다. | |
| 기능의 다중성: 이 특허는 단순 On/Off 기능만 제공하지만, 본 과제는 짧게/길게 밟는 동작을 구분하여 On/Off 기능과 단계적 제어 기능을 모두 수행한다. | |
| 사용자 경험(UX) 및 확장성: 본 과제는 디스플레이 UI를 통해 실시간 상태 확인 및 개인화 설정이 가능하며, 이는 기계식 장치인 본 특허에서는 구현할 수 없는 핵심적인 차별점이다. |
경쟁제품 조사 비교
| 기능 | 풋 레버 수전
|
절수페달 수전 | IR 센서 수전 |
|---|---|---|---|
| 제어 방식 | 2개의 전자식 풋 페달
|
1개의 전자식 풋 페달
|
적외선(IR) 센서
|
| 위생성 | 높음 (손 비접촉) | 높음 (손 비접촉) | 높음 (손 비접촉) |
| 온도 조절 | 가능 (단계적 디지털 제어 및 UI로 미세 조정) | 불가능 (미리 설정된 물만 나옴) | 불가능 (미리 설정된 물만 나옴) |
| 수압 조절 | 가능 (단계적 디지털 제어 및 UI로 미세 조정) | 불가능 (단순 On/Off 기능만 제공) | 불가능 (On/Off 기능만 제공) |
| 사용 편의성 | 최상 (On/Off 토글 방식으로 지속적인 사용이 편리) | 보통 (On/Off 전환은 편리하지만, 세팅 조절 불가) | 보통 (센서 인식 범위나 작동 시간의 한계가 있음) |
| 스마트 기능 | 높음 (디스플레이 UI, 사용자 맞춤 설정, 데이터 분석 등 확장성) | 없음 (단순 전원 제어) | 없음 (단순 On/Off 로직만 존재) |
| 전원 필요 여부 | 필요 (제어부 및 밸브 작동) | 필요 (콘센트 연결) | 필요 (주로 배터리 사용) |
시장상황에 대한 분석 (SWOT 분석 기반)
- 경쟁 우위 확보: SafeWash는 기존 비접촉 제품의 위생성을 유지하면서도, 정밀한 온도 및 유량 조절이라는 핵심 기능을 제공하여 경쟁 우위를 가집니다.
- 마케팅 전략 제시
| 강점 (S) | 약점 (W) |
|---|---|
| 🥇 S1. 완벽한 비접촉 제어 및 단계적 디지털 정밀 제어 | 💰 W1. 기존 절수페달 대비 높은 초기 비용 |
| 🧑💻 S2. RPI 기반 UI 및 IoT 확장성 | ⚡ W2. 작동을 위한 안정적인 전력 공급 필요 |
| 기회 (O) | 위협 (T) |
| 📈 O1. 위생 제품 선호도 급증 및 스마트 가전 시장 성장 | 🛡️ T1. 대기업 스마트 수전 제품과의 경쟁 심화 |
| 🏥 O2. 병원, 식당 등 B2B 특수 시장 수요 높음 | ❓ T2. 확장 기능에 대한 소비자 장벽 및 필요성 의문 |
개발과제의 기대효과
기술적 기대효과
- 복수의 솔레노이드 밸브를 이용한 단계적 조절 기능
고가의 산업용 장비 수준은 아니더라도, 복수의 솔레노이드 밸브를 이용해 단계적인 개방도를 제어하는 로직을 소프트웨어로 구현한다. 이를 통해 기계식 카트리지의 물리적 조작을 디지털 신호로 대체하여, 반복 가능하고 단계적인 유량 제어 시스템을 구축하는 기술을 확보할 수 있다.
- 라즈베리파이 기반의 IoT 디바이스 제어 및 데이터 분석 플랫폼 구축
라즈베리파이를 메인 컨트롤러로 사용하여 단순히 수도를 제어하는 것을 넘어, 사용자 인터페이스(UI)를 통해 개인화 설정을 저장하고, 향후 다른 주방 기기와의 연동까지 가능한 모듈형 IoT 제어 플랫폼의 확장성 기반을 구축한다.
- 기존의 기계식 제어 방식을 완전한 전자식으로 대체하는 새로운 패러다임 제시
기존의 절수페달은 물을 틀고 끄는 단순개폐만 가능했지만 본 개발과제는 유량제어와 온도제어가 모두 가능하다. 즉, 손으로 조작하는 기계식 인터페이스를 발로 제어하는 전자식 인터페이스로 대체함으로써, 수전 이용의 효율성과 위생성을 극대화하는 새로운 패러다임의 시스템을 제시한다.
경제적, 사회적 기대 및 파급효과
- 새로운 스마트 주방 가전 시장 창출
위생과 편의성을 중시하는 소비자들을 타겟으로 한 새로운 스마트홈 가전제품으로서의 상업적 가치를 가진다. 일반 가정(B2C)뿐만 아니라 위생이 필수적인 식당, 병원, 연구실 등 B2B 시장으로의 진출을 통해 새로운 시장을 창출하고 경제적 부가가치를 발생시킬 수 있다.
- 교차 감염 방지를 통한 공중 보건 증진
손잡이를 통한 접촉을 회피할 수 있어, 가정 내 세균이나 공공시설의 바이러스 등 교차 감염의 위험을 획기적으로 줄일 수 있다. 이는 개인의 위생을 넘어 지역 사회의 공중 보건 수준을 높이는 데 기여하는 사회적 효과를 가진다.
- 교통 약자의 편의성 증대 및 삶의 질 향상
손 사용이 불편한 장애인, 관절이 약한 노약자, 혹은 양손에 무거운 것을 든 사용자 등 사회적 교통 약자들이 타인의 도움 없이도 쉽고 편리하게 수전을 사용할 수 있도록 한다. 이는 보편적 설계의 가치를 실현하여 모두의 삶의 질을 향상시키는 효과를 기대할 수 있다.
- 데이터 기반의 능동적 수자원 절약 유도
향후 개발 사항으로 라즈베리파이에 축적된 개인별 물 사용 시간, 온도, 수압 패턴 데이터를 분석하여 사용자에게 비효율적인 습관을 알려주고, 최적의 절수 방안을 제안함으로써 국가적인 수자원 절약에 기여하는 환경적, 사회적 파급효과를 창출한다.
📐 설계: 하드웨어 및 소프트웨어의 융합
설계사양
제품의 요구사항 (D/W)
- D (필수): RPI 기반 무선 제어, 목표 수온/유량 정밀 제어, 밸브 누수 방지 설계, 공동/수격 현상에 의한 밸브 소모 최소화.
- W (바람직): 1초 이내 빠른 응답성, 합리적인 비용, 설치 및 유지보수 용이성.
| 번호 | 요 구 사 항 | D or W | 비고 |
|---|---|---|---|
| 1 | 싱크대 하부에 설치 가능한 적정 크기를 가져야 함 | D | 소 |
| 2 | 라즈베리 파이를 통해 무선으로 제어해야 함 | D | 중 |
| 3 | 유량 공급이 줄어들면 안됨 | D | 대 |
| 4 | 냉수 및 온수 밸브를 각각 제어하여 목표 수온을 설정할 수 있어야 함 | D | 대 |
| 5 | 사용자 입력(페달 신호)에 일정 수준 이상의 즉각적인 반응을 보여야 함 | W | 중 |
| 6 | 밸브에서 물이 새면 안됨 | D | 대 |
| 7 | 밸브 제어에 따른 공동 현상, 수격 현상에 의한 밸브 소모가 크면 안됨 | D | 대 |
| 8 | 밸브 개폐에 너무 오랜 시간이 걸리면 안됨 | W | 대 |
| 9 | 가격이 너무 비싸면 안됨 | W | 대 |
| 10 | 밸브를 수동으로 개폐할 수 있어야 함 | W | 대 |
| 11 | 밸브를 장시간 열어도 과열이 크지 않아야 함 | W | 대 |
| 12 | 전기세를 많이 내면 안됨 | W | 중 |
| 13 | 설치 및 유지보수가 용이한 구조여야 함 | W | 대 |
| 14 | 외부 입력 신호를 페달 신호 말고 다른 신호가 더 있어야 함 | W | 소 |
| 15 | 외형이 깔끔해야 함 | W | 소 |
하드웨어 구성 방식(배관, 펌프, 밸브 소켓 연결)
- 펌프 연결부: 25A-15A 변환 부싱 + 15A 밸브 소켓(고무 패킹)
- 배관 연결부: 8A-15A 변환 부싱 + 15A 소켓 + 15A 밸브 소켓(고무 패킹)
제어 회로 구성 방식(전력원, 라즈베리파이5, 아두이노 연결)
- 구동부: 24V 비례제어 솔레노이드 밸브 (온수/냉수)
- 제어부: 라즈베리파이 5 (중앙 제어 및 UI), ESP32-C3 (BLE 통신 및 PWM 출력)
- 전력원: SMPS (AC 220V → DC 24V), RPI 5V
개념설계안
아이디거 1안 (수전 카트리지 내부에 구동 매커니즘을 내장한 스마트 제어방식)
1안 개념 설계 모형도
- 개요: 수전 카트리지 내부에 소형 모터, 기어, 링크 매커니즘 등의 구동부를 내장하여, 외부 제어 신호(블루투스 또는 유선)로 밸브의 열림 정도와 수온 방향을 정밀하게 조절하는 방식입니다.
- 장점: 기존 수전의 외형을 유지하여 심미성이 우수하며, 부품이 외부로 노출되지 않아 파손 위험이 낮습니다.
아이디거 2안 (수전 카트리지의 유입구 1개를 사용하는 비례제어 밸브 기반의 외부 제어 모듈)
2안 개념 설계 모형도
- 개요: 기존 수전 카트리지를 그대로 유지하고, 벽면 배관과 수전 사이에 외부 제어 모듈을 추가함. 모듈 내부의 2개 비례제어 밸브가 온수 및 냉수의 유량을 독립적으로 제어한 후, 모듈 내부에서 하나의 배관으로 합류시켜 수전 유입구 1개로 연결하는 방식입니다.
- 장점: 기존 수전의 구조를 변경할 필요가 없어 호환성이 높으며, 비례제어 밸브의 수리 및 교체가 용이하여 유지보수가 편리합니다.
최종 채택안 (수전 카트리지의 유입구 2개를 사용하는 비례제어 밸브 기반의 외부 제어 모듈)
최종 개념 설계 모형도
- 개요: 벽면에서 유입된 온수 및 냉수는 외부 모듈에 유입되어, 각각 비례제어 밸브를 거치며 유량이 조절됩니다. 두 유로는 합류 없이 수전 카트리지의 온수 및 냉수 유입구에 직접 연결됩니다.
- 장점: 기존 수전 구조와의 호환성 및 유지보수 용이성이 가장 높습니다.
이론적 계산 및 시뮬레이션
- CAE 해석 배제: 상용 인증 제품 사용 및 밸브 개도 변화의 점진적 비례제어 방식으로, 유체 충격 및 진동 문제 발생 가능성이 낮아 CAE 해석은 필수적이지 않습니다.
- 수온 혼합 이론: 혼합수 온도 T_m은 냉수(T_c)와 온수(T_h)의 유량비에 의해 결정됩니다. 즉, 목표 혼합수 온도는 냉수 유량(Q_c), 온수 유량(Q_h)과 각 물의 온도에 따라 결정됩니다.
상세설계 내용
기구 설계 및 3D 모델링
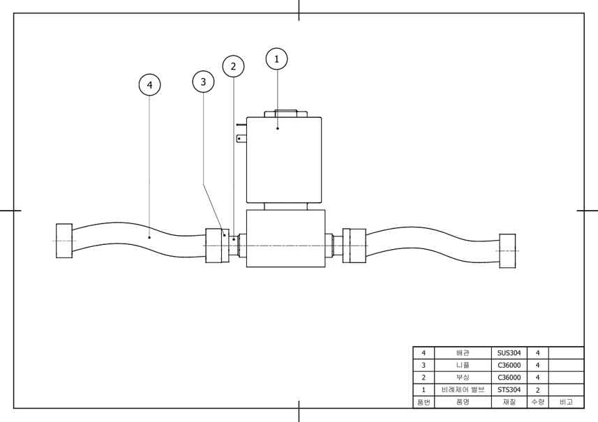
- 유체 제어 모듈 구성: 비례제어 밸브(HPCV0602), 니플(C36000), 부싱(C36000), 배관(SUS304) 등으로 구성됩니다.
전자 회로 설계 (분산 제어 구조)
- 밸브 구동 회로: 로직 레벨에서 구동 가능한 MOSFET (IRLZ44N)을 사용하며, 밸브 코일의 역기전력은 플라이백 다이오드 (1N5819)로 흡수하여 회로를 보호합니다.
전체 제어 구조 블록도:
[이미지 첨부 예정]
PWM 듀티 사이클 제어 설명 이미지:
[이미지 첨부 예정]
소프트웨어 설계 (고유 제어 로직)
- 입력 처리 로직: 풋 페달의 입력 시간을 구분하여, 1초 이상 입력은 ON/OFF 토글로, 그 외는 온도/세기 변경 신호로 판단하는 고유의 알고리즘을 적용합니다.
- PWM 제어 알고리즘: 아두이노는 RPI로부터 목표값을 수신하여 혼합 비율 테이블을 참조, 냉·온수 밸브의 PWM 듀티를 계산하여 밸브를 개방합니다.
페달 입력 처리 알고리즘 흐름도:
[이미지 첨부 예정]
밸브 제어 로직 흐름도:
[이미지 첨부 예정]
✅ 결과 및 평가: SafeWash의 성능 검증
완료 작품의 소개
프로토타입 사진 혹은 작동 장면
- 프로토타입 최종 조립 사진 (싱크대 하부):
[이미지 첨부 예정]
- 작동 시연 장면 (물줄기):
[이미지 첨부 예정]
포스터
- 캡스톤 디자인 포스터 이미지:
관련사업비 내역서
(사업비 내역서 표 작성예정.)
- 총 개발 소요 비용: ~~총액 내용 작성 예정 (천원)~~
- 주요 지출 내역:
| 항목 | 품명 (규격) | 수량 | 금액 (천원) |
|---|---|---|---|
| 비례제어 밸브 | HPCV0602 (비례제어 솔레노이드 밸브 DC 24V) | 2개 | ~~금액 작성 예정~~ |
| 제어 모듈 부품 | RPI, ESP32, 아두이노, MOSFET 등 | n개 | ~~금액 작성 예정~~ |
| 제작/재료비 | 배관, 부싱, 펌프 등 | n개 | ~~금액 작성 예정~~ |
완료작품의 평가
(정량적 목표 대비 달성도를 명확히 제시합니다.)
- 온도 제어 성능:
- 목표치: ±0.5℃ 이내
- 평가 결과: ~~실제 평가 결과 작성 예정 (예: ±0.4℃ 달성)~~
- 응답 속도:
- 목표치: 1.0초 이내
- 평가 결과: ~~실제 평가 결과 작성 예정 (예: 0.8초 달성)~~
성능 평가 차트/그래프:
[이미지 첨부 예정]
향후계획
- 제품화 및 내구성 강화: 습한 환경을 고려한 방수/방진 설계 (IP 등급 확보)를 적용하여 상용화 추진.
- AI 연동 기능: 물 사용 데이터를 분석하여 사용자에게 능동적 절수 방안을 제안하는 AI 시스템 개발.
- 사용자 편의 기능: '세안 모드', '설거지 모드' 등 개인 맞춤형 프리셋 기능 추가.















