8조-설계말랑즈
프로젝트 개요
기술개발 과제
국문 : 스마트 안전 유모차
영문 : Smart Safety Stroller
과제 팀명
설계말랑즈
지도교수
이수일 교수님
개발기간
2025년 9월 ~ 2025년 12월 (총 4개월)
구성원 소개
서울시립대학교 기계정보공학과 20XXXXX0** 조**(팀장)
서울시립대학교 기계정보공학과 20XXXXX0** 이**
서울시립대학교 기계정보공학과 20XXXXX0** 김**
서론
개발 과제의 개요
개발 과제 요약
본 과제는 터치 감지 기반의 제동 제어와 자동 난방 시스템을 통합하여, 영아의 탑승 안전성과 열적 쾌적성을 극대화한 스마트 안전 유모차 개발을 목표로 한다. 핵심이 되는 제동 시스템은 핸들의 터치 센서를 통해 사용자의 파지 여부를 감지하고, 브레이크를 자동으로 체결 또는 해제하는 방식을 채택하였다. 특히 센서나 모터의 고장 상황을 대비하여 수동으로 제동을 해제할 수 있는 이중 안전장치(Fail-safe)를 설계하였다. 이를 통해 사용자가 제동을 걸어야 하는 기존의 수동적 안전 시스템을, 사용자가 잡고 있을 때만 주행 가능한 능동적 안전 시스템으로 전환하여 사고 위험을 원천적으로 차단하였다. 아울러 쾌적성 향상을 위해 펠티어 소자와 팬을 활용한 자동 온도 제어 시스템을 구축하였다. 이는 겨울철 영아의 예상 온열감(PMV) 지수를 기반으로 최적의 온도를 실시간으로 제어하며, 보호자는 탑재된 LCD 화면을 통해 내부 온도 및 미세먼지 농도 등의 환경 정보를 직관적으로 모니터링할 수 있다.
개발 과제의 배경
일반적인 수동 유모차는 평지나 실내 환경에서 사용하는 데에는 큰 문제가 없으나, 실제 일상 동선은 보도 경사, 주차장 램프, 공원 내 오르막/내리막 등 다양한 경사 조건이 존재한다. 이때 보호자가 잠시 손을 놓는 순간이 생기면, 유모차는 무게중심과 중력 방향에 따라 미끄러져 내려갈 위험이 발생한다. 이는 단순한 부주의의 문제가 아니라, 시중 제품 다수가 채택해 온 ‘기본-해제’ 브레이크 구조의 한계에서 비롯된다. 현행 구조는 손잡이 레버 조작이나 발 브레이크 페달 고정 등 별도의 수동 행위를 전제로 정차 안전을 확보하므로, 돌발 상황에서 즉시적이고 자동적인 안전 확보가 어렵다. 실제로 전동 보조가 없는 수동 유모차가 경사로에서 그대로 굴러 사고로 이어진 사례는, ‘손을 놓는 행위가 곧바로 제동으로 연결되지 않는’ 구조적 취약점을 드러낸다.
또한 기존 유모차는 주로 온열패드와 같은 수동적 대응 방식에 머물러 있어, 겨울철 외부 환경 변화에 따라 영아가 추위에 노출되는 한계가 존재한다. 시중에서 사용되는 단순 온열 패드의 경우에는 별도의 제어 장치가 없어 사용 시간이 길어질수록 문제가 발생한다. 온열 패드는 전원을 인가하면 지속적으로 발열만 하기 때문에, 시간이 지남에 따라 표면 온도가 점점 상승하여 화상 등 안전사고로 이어질 수 있다. 즉, 이러한 패드류는 온도를 일정 범위 내에서 유지하거나, 사용자의 열 쾌적성을 고려하여 조절하는 기능이 전혀 없기 때문에, 시간이 지남에 따라 오히려 불편하거나 위험을 초래할 수 있다. 특히 영아는 성인에 비해 체온 조절 능력이 미숙하고, 열적 불쾌감을 언어로 표현하기 어려워 열쾌적성 관리가 필수적이다. 따라서 겨울철 외부 기온 변화에도 능동적으로 대응할 수 있는 난방 기능이 탑재된 스마트 유모차 시스템 개발의 필요성이 제기된다.
개발 과제의 목표 및 내용
- 개발 목표
본 과제는 터치 센서 기반 자동 브레이크와 저온 환경에 대응하여 유모차 내부의 열환경 개선, 휴대성을 통합하여 스마트 안전 유모차를 구현하는 것을 목표로 한다.
그림 3. 브레이크&난방 시스템이 탑재된 기대되는 프로젝트 완성 사진
- 개발 내용
1. 브레이크
1.1 브레이크 구현 과정
본 프로젝트의 브레이크는 공항 카트의 데드맨 원리를 기본으로 하되, 유모차 사용성에 맞게 설계 방식을 재구성한다. 핵심 개념은 ‘기본 상태는 잠금, 사용할 때만 해제’이다. 사용자가 손잡이를 붙잡지 않는 평상시에는 바퀴가 자동으로 고정되고, 주행이 필요할 때에만 해제가 허용된다.
이를 위해 손잡이에 터치 센서를 내장하고, 터치를 감지하면 해제 조건을 만족시키도록 한다. 전원이 공급되는 정상 상태에서는 스텝 모터를 배치하여, 터치가 인식되지 않았을 때 스텝 모터가 일정 각도로 회전한 상태로 와이어를 당겨 브레이크 패드를 디스크에 조이는 구조를 구현한다.
전력 부족이나 센서 오류가 발생하더라도 안전 기능이 무력화되지 않도록, 브레이크 시스템은 항상 제동이 기본 상태가 되도록 설계하였다. 돌발 상황에서 수동으로 유모차를 이동해야 하는 경우에는 스위치를 이용해 모터 전원을 차단함으로써 제동을 해제할 수 있다.
브레이크 제동은 자전거의 기계식 디스크 브레이크 메커니즘을 기반으로 한다. 일반 자전거는 레버를 당기면 와이어가 캘리퍼 암(caliper arm)을 당겨 패드가 디스크를 누르며 제동되고, 레버를 놓으면 내부 토션 스프링에 의해 캘리퍼 암이 초기 위치로 복귀하면서 브레이크가 해제된다. 본 프로젝트에서는 이 메커니즘을 반대로 적용하여, 터치가 인식되지 않은 상태에서는 캘리퍼 암이 위쪽에 위치하여 제동이 유지되고, 터치가 인식되면 캘리퍼 암이 아래로 이동하면서 브레이크가 해제되도록 구성한다.
그림 4. 자전거 기계식 디스크 브레이크 원리
그림 5. 캘리퍼 구조
1.2 브레이크 하드웨어
1.2.1 스텝 모터
스텝 모터는 회전각을 정밀하게 제어할 수 있는 회전 구동기이다. 본 프로젝트에서는 캘리퍼 암의 위치를 조절하기 위해 와이어를 당기는 용도로 적용한다.
그림 6. 스텝 모터
1.2.2 터치 센서
터치 센서는 보호자의 접촉 여부를 감지하여 브레이크 해제 허용 여부를 판단하는 인터록 역할을 수행한다. 사용자가 손을 떼는 즉시 신호가 차단되어 모터가 제동 방향으로 작동하며, 시스템은 기본 잠금 상태로 복귀한다. 이를 통해 하드웨어 차원의 데드맨 기능을 구현한다.
본 시스템에서는 압력 기반 정전 센서를 사용하며, 스텝 모터 회로와 함께 만능 기판에 구성한다. 전원은 10.89V 충전형 배터리를 사용한다. 터치 입력의 유무에 따라 모터 제어 상태가 전환되도록 회로를 설계하여, ‘접촉 유지 시 해제’ 및 ‘접촉 해제 시 즉시 잠금’이 이루어지도록 한다.
그림 7. 터치 센서(압력 기반 저항 센서)
1.2.3 캘리퍼
캘리퍼는 와이어 장력에 따라 브레이크 패드로 디스크를 양측에서 눌러 제동력을 발생시키는 장치이다. 터치가 인식되어 스텝 모터가 회전할 경우에는 해제 방향으로 작동하며, 전원 차단 또는 터치 미인식 시에는 자동으로 제동 방향으로 복귀한다. 필요에 따라 스프링 변경 또는 외부 스프링 추가를 통해 복귀 특성을 조정한다.
그림 8. 캘리퍼
1.2.4 디스크 로터
디스크 로터는 패드와의 마찰을 통해 제동 토크를 전달하는 핵심 요소로, 반복 제동 시의 안정성이 중요하다. 본 프로젝트에서는 자전거용 디스크 로터를 적용하고, 유모차 바퀴 치수에 맞는 부품을 제작 또는 구매하여 중심 정렬과 캘리퍼 정합을 확보한다. 이후 패드 간극 및 접촉면을 정밀 조정하여 제동력과 재현성을 확보한다.
그림 9. 디스크 로터
2. 난방 시스템
2.1 난방 시스템 구현
본 시스템의 기본적인 난방을 위해 열전소자인 펠티어와 팬을 핵심 부품으로 사용한다. 펠티어 소자는 전압을 걸어주면 한쪽 면은 냉각, 반대쪽 면은 가열되는 구조를 가진다. 반도체로 연결된 두 금속 사이에 전압을 가하면 n형 반도체에서는 전자가, p형 반도체에서는 전자 역할을 하는 양공이 이동하면서 전자를 받은 면은 열을 받아 뜨거워지고, 전자를 빼앗긴 다른 쪽 면은 열을 빼앗겨 차가워지는 효과가 발생한다(그림 10 참조).
그림 10. 펠티어 소자
이를 유모차 돔 내부 난방에 적용할 경우 핫 사이드(hot side)는 유모차 내부를 향하게 하여 유모차 내부를 가열시키고, 콜드사이드(cold side)는 외부로 냉기를 방출하도록 설계한다. 결론적으로 펠티어와 팬을 함께 적용해 열전달계수를 높여 PMV 지수를 높여주는 역할과 동시에 실제 유모차 돔 내부 온도도 높임으로 단일 구성요소보다 훨씬 높은 난방 기능을 할 수 있다.
그림 11. 펠티어 소자와 팬 형상
2.2 최적 조건 산출
본 연구에서는 유모차 돔 내부의 공기흐름과 열 분포를 정량적으로 분석하기 위해 전산유체역학 CFD 해석을 적용한다. CFD를 활용함으로써 다양한 해석 변수에 따른 온도 분포와 유속 분포를 평가할 수 있다. 해석변수로는 팬+펠티어 위치, 팬 종류, 팬 형상이 있다.
2.2.1 위치 최적화
유모차 돔 내부 구조에서 팬+펠티어 구조의 장착 위치를 후방상부, 하부중앙 총 세 가지 안으로 설정한다. 이후 CFD 해석을 통해 각 위치별 공기 유동 패턴과 온도 분포를 비교·분석하여, 어떤 위치에서 가장 효율적인 온기 순환과 온도 증가 효과가 나타나는지를 해석적으로 도출한다.
그림 12. 유모차 돔 내부 구조
2.2.2 팬 종류, 형상 최적화
위치 최적화를 통해 가장 적합한 설치 위치를 결정한 뒤, 해당 위치에서 적용 가능한 팬 형상을 비교·분석한다. 먼저, 팬 종류는 축류형으로 블레이드 형상을 변수로 설정한다. 평가 지표는 바람의 순환 방향, 온도 향상 효과, 팬 소비전력으로 하며, 이를 통해 최종적으로 유모차 내부 환경에 가장 적합한 팬 형상을 도출한다.
그림 13. 사용할 축류형 팬
2.3 구현 모드
2.3.1 난방 모드
유모차에 탑승하는 영아는 자신의 열적 불쾌감을 언어로 표현할 수 없다는 점을 이용해 본 시스템에서는 PMV (열 쾌적성 지표)를 이용해 영아가 체감하는 최적의 열 쾌적 상태의 온도를 목표로 한다. PMV 지표는 열환경의 6가지 요소(온도, 습도, 기류, 평균복사온도, 활동량, 착의량)를 종합하여 사람의 온열감을 평가하는 지표이다. 이 지표는 -3(춥다)에서 +3(덥다)까지의 7단계 척도를 사용하며, 쾌적 범위는 보통 -0.5에서 +0.5 사이이다. PMV는 ASHRAE, ISO 등 국제 표준에서 공식적으로 사용되는 지표이며, 실내 열환경 평가에 널리 활용된다. 외부 공기 온도를 바탕으로 PMV 기반 목표 온도를 산출하고, 이를 현재 내부 온도와 비교하여 발생하는 오차를 기반으로 PID 연산을 수행하고, 그 출력값을 펠티어 소자와 팬에 전달하여, 펠티어의 난방면은 유모차 내부를 난방시키고, 팬은 내부 공기의 순환을 보조하여 열전달 효율을 향상시킨다. 내부로 향하는 면이 가열되도록 하고, 동시에 팬을 가동하여 따뜻해진 공기를 내부 전체에 순환시킴으로써 국소적인 온도 편차를 줄이고 안정적인 난방 효과를 제공한다. 이때 역시 PMV 지표를 고려하여 목표 온도를 산출하고, 현재 내부 온도와의 오차를 PID 제어에 입력한다.
그림 14. 펠티어 소자와 팬 형상
2.4 UI 설계
그림 15. 예상 UI 모습 본 시스템의 사용자 인터페이스는 유모차 내부 환경을 직관적으로 모니터링할 수 있도록 단순성과 가시성에 중점을 두어 설계하였다. 디스플레이 화면에는 다음과 같은 주요 항목이 표시된다.
- 내부 온도: 온도 센서를 통해 실시간으로 측정된 유모차 내부 온도를 표시하여, 현재 영아의 열환경 상태를 즉각 확인할 수 있다.
- 내부 습도: 습도 센서를 기반으로 내부 상대습도를 표시한다.
관련 기술의 현황
관련 기술의 현황 및 분석(State of art)
전통적인 유모차 브레이크는 보호자가 직접 발로 페달을 밟거나 손으로 레버를 조작해야 하는 수동 방식이 주를 이루었다. 제안서에서 지적한 바와 같이, 이는 보호자의 부주의나 돌발 상황에서 유모차가 경사로를 따라 미끄러지는 사고의 위험을 내재하고 있다. 이러한 문제를 해결하기 위해 전 세계적으로 유모차 브레이크 기술은 사용자의 개입을 최소화하고 안전성을 극대화하는 자동화와 지능화 방향으로 빠르게 발전하고 있다.
기계식 자동 브레이크
- 전기 장치 없이 순수 기계 공학적 원리만으로 안전을 확보하려는 초기 단계의 자동 브레이크 시스템
- 데드맨(Dead-man) 원리를 기계적으로 구현한 방식
- 대표적인 예) Phil&teds 사의 Auto Stop 기능
센서 기반 전자식 자동 브레이크
- 다양한 센서를 활용해 보호자의 상태나 주변 환경을 감지하고 전자적으로 브레이크를 제어하는 방식
- 대표적인 센서 감지 방식: 접촉/압력 감지 방식, 거리/근접 감지 방식
전동 모터 연계 지능형 브레이크
- 단순히 멈추는 기능을 넘어 주행 자체를 보조하는 전동 유모차에 통합된 차세대 브레이크 시스템
추가로, 최근 출원되는 특허들은 단일 센서의 한계를 극복하기 위해 여러 기술을 융합하는 경향을 보인다. 예를 들어, 핸들 그립 센서와 자이로/가속도 센서를 결합하여 보호자가 손을 놓았을 뿐만 아니라, 유모차가 의도치 않은 가속을 보일 때도 브레이크를 작동시키는 다중 조건 로직이 연구되고 있다.
유모차 난방 시스템에 사용하는 펠티어 기술은 압축기와 같은 복잡한 구성 요소가 불필요하여 친환경적이며, 구조 단순성과 모듈화 용이성을 갖추고 있다는 장점이 있어 소형 기기에 적용하고 있다. 그러나 성능계수 COP가 낮아 대형 시스템에는 적합하지 않다. 또한 전력 소모가 크기 때문에 장시간 배터리 기반 구동에는 제약이 따른다. 최근에는 웨어러블 냉난방 제품, 차량용 시트 냉난방 모듈, 국소 냉·온찜질기 등 헬스케어 제품에서의 응용이 확대되고 있으며, IoT 및 센서 제어 기술과 결합하여 사용자의 체온 및 주변 환경 조건에 맞춰 자동으로 제어할 수 있는 스마트 난방 시스템으로 발전하고 있다.
특허조사 및 특허 전략 분석
1. 유모차 브레이크 관련 기술 특허
- WO2009/035342 A1 Braking System
- 핵심 기술: 기계식 각도 조절 브레이크
- 사용자의 키에 맞게 핸들 각도를 조절하는 기능과 브레이크를 통합. 특정 각도로 핸들을 내리면 브레이크가 잠기는 순수 기계식 구조. 전원이 불필요해 신뢰성이 높음.
- 제안 기술과의 차별성
- 해당 특허는 사용자가 직접 핸들 각도를 조작해야만 제동이 이루어지는 수동 방식이다. 반면, 제안 기술은 보호자가 손을 떼는 무의식적인 상황에서 시스템이 자동으로 제동을 수행하여 안전성의 차원이 다르다.
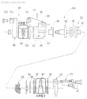
- US 8,146,928 B2 Stroller With Braking Device
- 핵심 기술: 기계식 데드맨 브레이크
- 핸들을 누르는 힘이 가해질 때만 브레이크가 해제되는 전형적인 데드맨 방식. 스프링이 항상 브레이크를 잠금 상태로 유지시켜 안전성이 높음.
- 제안 기술과의 차별성
- 해당 특허는 데드맨 원리의 안전성은 확보했지만 지속적인 힘이라는 명확한 사용성 한계를 가진다. 제안 기술은 이 문제를 터치 센서와 스텝 모터로 해결하여, 사용자는 힘을 들일 필요 없이 가볍게 접촉만 하면 되므로 사용자 경험 측면에서 압도적 우위를 점한다.
2. 난방 시스템 관련 기술 특허
- KR 10-199 5280 공기정화 기능을 갖는 유모차
- 핵심 기술: 공기정화 기능을 가지고, 발열시트로 난방 조절이 가능함.
- 외부 상황에 능동적으로 대응 가능, 아이 탑승부 내부를 쾌적·청결하게 유지함. 내구성 강화로 야외 환경 적응력 높음.
- 제안 기술과의 차별성
- 해당 특허는 단방향 난방과 공기정화 기능에 머무르는 반면, 제안 기술은 온도 센서와 연동된 펠티어+팬으로 가열을 수행하는 열쾌적 시스템을 구현한다.
- KR 10-2024-00 73261 스마트 유모차
- 핵심 기술: 온습도 조절부+공기질 개선부+유아 상태 모니터링부+통신부
- 유아의 상태와 주변 환경을 통합적으로 관리함으로써 안전성과 쾌적성의 극대화. 실시간으로 모니터링할 수 있어 정서적 안정의 확보를 하고, 인터랙션 기능을 통한 기존 유모차와의 차별점이 있음.
- 제안 기술과의 차별성
- 해당 특허는 유아 상태와 주변 환경을 통합적으로 모니터링 후 단순 on/off 제어하는데 그치는 반면, 제안 기술은 이를 한 단계 발전시켜 열쾌적성(PMV)지표를 이용해 PID제어로 최적 운전 조건을 자동 계산한다.
- 기술 로드맵
시장상황에 대한 분석
- 경쟁제품 조사 비교
| 항목 | 스마트 안전 유모차 | Phil&teds Sport | Glüxkind Ella | Cool Kids Toddler Stroller Seat |
|---|---|---|---|---|
| 제동 원리 | 터치 센서 + 액추에이터 + 기계식 디스크 브레이크 | 기계식 데드맨 | 지능형 모터 직접 제어 | 기계식 풋 브레이크 |
| 조작 방식 | 핸들 터치 시 해제, 손을 떼면 자동 잠금 |
핸들 레버를 쥐면 해제, 손을 놓으면 자동 잠금 |
핸들을 밀면 주행, 손을 놓으면 즉각 정지 |
뒷바퀴 페달을 밟아서 잠금, 발로 올려서 해제 |
| 주행 편의성 | 상 (지속적인 힘 불필요) |
하 (장시간 주행 시 손목 피로) |
최상 (경사로 주행 보조 및 핸즈프리) |
중 (지속적인 힘 불필요) |
| 안전 기능 | 손 놓침 방지 및 전자 고장 시 기계식 백업 |
손 놓침으로 인한 미끄러짐 원천 방지 |
손 놓침 시 즉시 정지 및 360° 센서 장애물 감지 |
기본 기계식 브레이크 (특화 기능 없음) |
| 냉난방 기능 | 가능 (펠티어 소자) | 없음 | 없음 | 냉방 시트(냉각팩 방식) |
| 전원 의존도 | 필요 (단, 방전 시 기계식 백업) |
불필요 | 절대적 필요 (방전 시 핵심 기능 상실) |
불필요 |
| 부가 기능 | LCD 정보 표시, 환기/제습, 미세먼지 저감 |
3륜 에어타이어, 스포츠/조깅 최적화 |
AI 핸즈프리 주행, 자동 락킹, 백색소음기, 앱 연동 |
탈부착 가능 시트 포켓, 유모차/카시트 겸용 |
| 예상 가격 | 약 150만 원 (목표가) | 약 90만 원대 | 약 500만 원대 | 약 17만 원대 |
- 마케팅 전략 제시
1) SWOT 분석
| 강점 (Strengths) | 약점 (Weaknesses) |
|---|---|
|
|
| 기회 (Opportunities) | 위협 (Threats) |
|
|
2) SWOT 전략
SWOT 분석을 통해 이 제품에 대한 마케팅 전략을 수립해보았다. (1) SO전략 (강점과 기회를 동시에 활용)
본 제품이 보유한 안전성 및 쾌적성의 차별화된 강점을 프리미엄 유아용품 시장 확대라는 기회와 결합하여 마케팅을 강화한다. 난방 통합 기능과 이중 안전장치를 핵심 가치로 내세워, 맞벌이 및 고소득층 소비자를 주요 타깃으로 설정한다. 또한, 스마트홈·IoT 연동 기능을 통해 소비자의 요구를 충족시킬 수 있을 것이다.
(2) WO전략 (약점을 보완해 기회를 잡기)
제조원가와 무게 증가라는 약점을 보완하기 위해 전문 기술 기업과의 제휴를 통한 배터리 효율 개선과 경량화 소재를 도입하여 제품 경쟁력을 강화할 수 있을 것이다. 또한 까다로운 정부나 기관의 안전 인증을 선제적으로 취득함으로써, 이를 브랜드 신뢰도 제고 및 마케팅 요소로 적극 활용할 것이다.
(3) ST전략 (강점으로 위협에 대응)
경쟁사의 추격과 소비자의 기술 불신이라는 위협에 대응하기 위해, 본 제품의 독보적인 안전성과 차별화된 제동 성능을 핵심 마케팅 메시지로 강조한다. 실사용 후기, 임상 테스트 결과, 공신력 있는 인증 자료를 기반으로 소비자 신뢰를 확보하며 기술 진부화 위험을 최소화할 예정이다.
(4) WT전략 (약점 줄이고 위협 최소화)
경제 불황과 고가 정책으로 인한 시장 축소에 대비하여 단계적 시장 진입 전략을 적용한다. 초기에는 고소득층을 대상으로 한 프리미엄 모델을 출시하여 브랜드 이미지를 확보한 뒤, 경량화 및 저전력 모델을 개발해 대중 시장으로 확장한다. 또한, 배터리 화재나 제동 오작동 등 잠재적 안전사고에 대비한 위기 대응 매뉴얼을 마련하여 브랜드 리스크를 최소화한다.
개발과제의 기대효과
기술적 기대효과
내용
경제적, 사회적 기대 및 파급효과
내용
기술개발 일정 및 추진체계
개발 일정
내용
구성원 및 추진체계
내용
설계
설계사양
제품의 요구사항
내용
설계 사양
내용
개념설계안
내용
이론적 계산 및 시뮬레이션
내용
상세설계 내용
내용
결과 및 평가
완료 작품의 소개
프로토타입 사진 혹은 작동 장면
내용
포스터
내용
관련사업비 내역서
내용
완료작품의 평가
내용
향후계획
내용
특허 출원 내용
내용



