"7조-음료따라조"의 두 판 사이의 차이
(→A-1 참고문헌 및 참고사이트) |
(→Pytorch 활용 부피 측정 로직 최적화) |
||
| (같은 사용자의 중간 판 51개는 보이지 않습니다) | |||
| 11번째 줄: | 11번째 줄: | ||
===지도교수=== | ===지도교수=== | ||
| − | + | 이*일 교수님 | |
===개발기간=== | ===개발기간=== | ||
| 17번째 줄: | 17번째 줄: | ||
===구성원 소개=== | ===구성원 소개=== | ||
| − | 서울시립대학교 기계정보공학과 | + | 서울시립대학교 기계정보공학과 20204300** 구*본(팀장) |
| − | 서울시립대학교 기계정보공학과 | + | 서울시립대학교 기계정보공학과 20204300** 신*호 |
| − | 서울시립대학교 기계정보공학과 | + | 서울시립대학교 기계정보공학과 20204300** 조*규 |
| − | 서울시립대학교 기계정보공학과 | + | 서울시립대학교 기계정보공학과 20204300** 최*현 |
==서론== | ==서론== | ||
| 30번째 줄: | 30번째 줄: | ||
본 과제는 ToF 센서를 활용하여 종이컵, 머그컵, 텀블러 등 다양한 용기의 부피를 자동으로 측정하고, 유량 센서와 솔레노이드 펌프를 통해 정밀한 양의 음료를 토출하는 스마트 디스펜서 개발을 목표로 한다. 기존 디스펜서는 사용자가 직접 레버를 조작하거나 사전에 정해진 고정 용량(125ml, 250ml 등)만 제공하기 때문에, 실제 사용하는 컵의 크기와 맞지 않아 음료가 넘치거나 부족해지는 불편함이 자주 발생한다. 이로 인해 사용자는 출수 과정을 계속 지켜보며 수동으로 양을 조절해야 하고, 이는 음료 낭비와 위생 문제, 시간 낭비로 이어진다. 본 과제는 이러한 한계를 해결하기 위해 컵의 부피를 자동으로 인식하고, 이에 적응적으로 동작하여 사용자의 컵에 최적화된 양을 제공함으로써 편의성과 효율성을 동시에 높이는 것을 목표로 한다. | 본 과제는 ToF 센서를 활용하여 종이컵, 머그컵, 텀블러 등 다양한 용기의 부피를 자동으로 측정하고, 유량 센서와 솔레노이드 펌프를 통해 정밀한 양의 음료를 토출하는 스마트 디스펜서 개발을 목표로 한다. 기존 디스펜서는 사용자가 직접 레버를 조작하거나 사전에 정해진 고정 용량(125ml, 250ml 등)만 제공하기 때문에, 실제 사용하는 컵의 크기와 맞지 않아 음료가 넘치거나 부족해지는 불편함이 자주 발생한다. 이로 인해 사용자는 출수 과정을 계속 지켜보며 수동으로 양을 조절해야 하고, 이는 음료 낭비와 위생 문제, 시간 낭비로 이어진다. 본 과제는 이러한 한계를 해결하기 위해 컵의 부피를 자동으로 인식하고, 이에 적응적으로 동작하여 사용자의 컵에 최적화된 양을 제공함으로써 편의성과 효율성을 동시에 높이는 것을 목표로 한다. | ||
====개발 과제의 배경==== | ====개발 과제의 배경==== | ||
| − | 현재 보편적으로 사용되는 음료 디스펜서는 사용자가 직접 레버를 조작하는 수동 방식이 대부분이다. 일부 고급 모델은 125ml, 250ml 등 사전에 설정된 정량을 제공하는 기능이 있으나, 이는 사용자의 컵 크기를 고려하지 않은 고정적인 방식이다. 최근 소비자들이 다양한 크기와 형태의 컵, 텀블러를 사용하는 상황에서 고정 정량 방식은 음료가 넘치거나 부족한 상황을 빈번하게 유발한다. 이로 인해 사용자는 토출 과정을 주시하며 수동으로 양을 조절해야 하는 불편함을 겪는다. 기존 디스펜서의 수동적이고 고정적인 작동 방식을 개선하기 위해, 사용자의 개별 용기(컵, 텀블러 등)를 시스템이 자동으로 인식하고 컵에 적응형으로 동작하는 새로운 방식이 요구된다. | + | 현재 보편적으로 사용되는 음료 디스펜서는 사용자가 직접 레버를 조작하는 수동 방식이 대부분이다. 일부 고급 모델은 125ml, 250ml 등 사전에 설정된 정량을 제공하는 기능이 있으나, 이는 사용자의 컵 크기를 고려하지 않은 고정적인 방식이다. 최근 소비자들이 다양한 크기와 형태의 컵, 텀블러를 사용하는 상황에서 고정 정량 방식은 음료가 넘치거나 부족한 상황을 빈번하게 유발한다. 이로 인해 사용자는 토출 과정을 주시하며 수동으로 양을 조절해야 하는 불편함을 겪는다. 기존 디스펜서의 수동적이고 고정적인 작동 방식을 개선하기 위해, 사용자의 개별 용기(컵, 텀블러 등)를 시스템이 자동으로 인식하고 컵에 적응형으로 동작하는 새로운 방식이 요구된다. |
| + | |||
====개발 과제의 목표 및 내용==== | ====개발 과제의 목표 및 내용==== | ||
본 과제에서는 컴퓨터 비전 기술을 기반으로 컵의 용량을 실시간으로 자동 파악하고, 사용자가 | 본 과제에서는 컴퓨터 비전 기술을 기반으로 컵의 용량을 실시간으로 자동 파악하고, 사용자가 | ||
| 36번째 줄: | 37번째 줄: | ||
본 과제는 하드웨어 제작과 소프트웨어 개발이 융합된 형태로, 각 영역에 최적화된 도구를 아래와 같이 활용하였다. | 본 과제는 하드웨어 제작과 소프트웨어 개발이 융합된 형태로, 각 영역에 최적화된 도구를 아래와 같이 활용하였다. | ||
| − | + | =====하드웨어(H/W): 정량 출수를 위한 디스펜서 구현, 전체 전장 제어 인프라 구축===== | |
- 프레임 및 외장: 아크릴 및 알루미늄 프로파일을 이용하여 디스펜서의 기본 구조를 제작하고, 3D 프린터(FDM 방식)를 활용하여 센서 마운트, 유량 센서 행거 등 맞춤형 부품을 제작한다. | - 프레임 및 외장: 아크릴 및 알루미늄 프로파일을 이용하여 디스펜서의 기본 구조를 제작하고, 3D 프린터(FDM 방식)를 활용하여 센서 마운트, 유량 센서 행거 등 맞춤형 부품을 제작한다. | ||
- 토출 시스템: 일정량의 액체를 정밀하게 토출하기 위해 YF-B2 유량센서와, 다이어프램식 워터 펌프를 사용한다. 유량 센서를 추가하여 실제 토출량을 측정하고 제어 신호를 보정하는 폐루프 시스템을 아두이노를 통해 구성하였고, 이를 S/W에서 개발한 부피 측정 알고리즘과 연동하였다. | - 토출 시스템: 일정량의 액체를 정밀하게 토출하기 위해 YF-B2 유량센서와, 다이어프램식 워터 펌프를 사용한다. 유량 센서를 추가하여 실제 토출량을 측정하고 제어 신호를 보정하는 폐루프 시스템을 아두이노를 통해 구성하였고, 이를 S/W에서 개발한 부피 측정 알고리즘과 연동하였다. | ||
| − | + | =====소프트웨어 (S/W): 작동 환경과 다양한 용기에 적용가능한 부피 추정 알고리즘 구현===== | |
- 개발 언어 및 환경: Python을 주력 언어로 사용하며, OpenCV 라이브러리를 통해 이미지 처리 및 컵의 특징점(높이, 지름) 추출 알고리즘을 구현한다. 또한 Pytorch를 활용하여 컵, 텀블러 데이터셋을 통해 이미지로부터 용량을 추정하는 모델을 학습시키고 보드에 맞게 경량화 하여 두 알고리즘의 성능을 비교한다. | - 개발 언어 및 환경: Python을 주력 언어로 사용하며, OpenCV 라이브러리를 통해 이미지 처리 및 컵의 특징점(높이, 지름) 추출 알고리즘을 구현한다. 또한 Pytorch를 활용하여 컵, 텀블러 데이터셋을 통해 이미지로부터 용량을 추정하는 모델을 학습시키고 보드에 맞게 경량화 하여 두 알고리즘의 성능을 비교한다. | ||
| − | A. 개발 알고리즘 계획 | + | * A. 개발 알고리즘 계획 |
| − | i. 센서 데이터 기반 컵 용량 측정 | + | :: i. 센서 데이터 기반 컵 용량 측정 |
: 초음파, 적외선 센서를 회전시켜, 컵의 2차원 형상 데이터를 극좌표 형식으로 취득한다. 컵의 형상이 회전체라고 가정하고, 형상 데이터를 적분해 컵의 전체 용량을 유추해내는 알고리즘이다. 이 경우 센서의 분해능이 중요하므로 초음파, 적외선을 이용하여 센서의 성능평가를 선행 과정으로 수행하고 적절한 센서를 선택할 계획이다. 센서의 회전은 스텝모터를 이용하여 각도 제어의 오차를 최소화할 수 있을 것으로 예상한다. | : 초음파, 적외선 센서를 회전시켜, 컵의 2차원 형상 데이터를 극좌표 형식으로 취득한다. 컵의 형상이 회전체라고 가정하고, 형상 데이터를 적분해 컵의 전체 용량을 유추해내는 알고리즘이다. 이 경우 센서의 분해능이 중요하므로 초음파, 적외선을 이용하여 센서의 성능평가를 선행 과정으로 수행하고 적절한 센서를 선택할 계획이다. 센서의 회전은 스텝모터를 이용하여 각도 제어의 오차를 최소화할 수 있을 것으로 예상한다. | ||
| − | ii. 컵 용량 데이터셋을 통한 CNN 모델 학습 | + | :: ii. 컵 용량 데이터셋을 통한 CNN 모델 학습 |
: 자주 사용하는 텀블러와, 일반적으로 판매되는 종이컵의 데이터를 획득하고 용량 데이터를 라벨링하여 용량을 파악하는 방법이다. 적절한 데이터셋을 찾고, 필요하다면 직접 데이터셋을 구성하여 학습을 진행할 계획이다. | : 자주 사용하는 텀블러와, 일반적으로 판매되는 종이컵의 데이터를 획득하고 용량 데이터를 라벨링하여 용량을 파악하는 방법이다. 적절한 데이터셋을 찾고, 필요하다면 직접 데이터셋을 구성하여 학습을 진행할 계획이다. | ||
| − | B. 설계 및 시뮬레이션 | + | * B. 설계 및 시뮬레이션 |
Autodesk사의 Inventor 등의 3D CAD 소프트웨어를 사용하여 하드웨어 구조를 설계하고, 필요한 경우, 조립 시뮬레이션을 통해 부품 간의 간섭을 확인하는 과정이다. 이후 실제 구동부만 조립하여 정량이 토출되는지, 누수의 문제는 없는지 검증하는 절차를 수행한다. | Autodesk사의 Inventor 등의 3D CAD 소프트웨어를 사용하여 하드웨어 구조를 설계하고, 필요한 경우, 조립 시뮬레이션을 통해 부품 간의 간섭을 확인하는 과정이다. 이후 실제 구동부만 조립하여 정량이 토출되는지, 누수의 문제는 없는지 검증하는 절차를 수행한다. | ||
| − | C. 프로세스 블록 다이어그램 | + | * C. 프로세스 블록 다이어그램 |
| − | + | ||
| + | [[파일:Figure_1.png|가운데]] | ||
===관련 기술의 현황=== | ===관련 기술의 현황=== | ||
====관련 기술의 현황 및 분석==== | ====관련 기술의 현황 및 분석==== | ||
| − | + | =====State of art===== | |
본 개발 과제에서 핵심적으로 사용되는 기술은, 사용자로부터 놓이게 되는 컵의 부피를 측정하는 기술이다. 해당 기술은 단순히 컵의 부피를 측정하는 것에 국한되는 것이 아니라, 물류, 식품, 산업 등 다양한 분야에서 사용되는 물체에 대해 부피를 비접촉식으로 정밀하게 측정하는 ‘Volume Estimation’이라는 기술 키워드로 일반적으로 정의될 수 있다. 본 항목에서는 해당 기술에 대한 최신 현황에 대해 살펴보고자 한다. | 본 개발 과제에서 핵심적으로 사용되는 기술은, 사용자로부터 놓이게 되는 컵의 부피를 측정하는 기술이다. 해당 기술은 단순히 컵의 부피를 측정하는 것에 국한되는 것이 아니라, 물류, 식품, 산업 등 다양한 분야에서 사용되는 물체에 대해 부피를 비접촉식으로 정밀하게 측정하는 ‘Volume Estimation’이라는 기술 키워드로 일반적으로 정의될 수 있다. 본 항목에서는 해당 기술에 대한 최신 현황에 대해 살펴보고자 한다. | ||
해당 기술 초기에는 초음파 센서 등의 단일 센서 데이터를 기반으로, 부피를 측정하고자 하는 대상 물체에 대한 단순한 기하학적 형상의 가정을 바탕으로 부피를 계산하는 것으로 제한되었다. 최근에는 카메라, Depth 센서, 딥러닝 기반 방법들이 등장하면서 불규칙한 형상까지도 정밀하게 측정하는 것이 가능해졌다. 아래는 Volume Estimation과 관련되어 최근 수행되는 연구들을 항목화하여 나타낸 것이다. | 해당 기술 초기에는 초음파 센서 등의 단일 센서 데이터를 기반으로, 부피를 측정하고자 하는 대상 물체에 대한 단순한 기하학적 형상의 가정을 바탕으로 부피를 계산하는 것으로 제한되었다. 최근에는 카메라, Depth 센서, 딥러닝 기반 방법들이 등장하면서 불규칙한 형상까지도 정밀하게 측정하는 것이 가능해졌다. 아래는 Volume Estimation과 관련되어 최근 수행되는 연구들을 항목화하여 나타낸 것이다. | ||
| − | 단일 센서 기반 연구: | + | * 단일 센서 기반 연구: |
RGB-D 카메라(예: Intel RealSense)를 단독으로 사용하여 감자·과일 등 농산물의 부피를 추정하는 연구들이 진행됨. 단일 Depth 데이터로 픽셀 높이를 적분하여 부피를 계산하는 방식이 일반적임. | RGB-D 카메라(예: Intel RealSense)를 단독으로 사용하여 감자·과일 등 농산물의 부피를 추정하는 연구들이 진행됨. 단일 Depth 데이터로 픽셀 높이를 적분하여 부피를 계산하는 방식이 일반적임. | ||
[1] Sari & Gofuku(2023)는 RGB-D 카메라로 음식 이미지를 촬영한 후 포인트 클라우드 기반으로 부피를 적분하였으며, Ellipsoid Fitting 방법으로 포인트 클라우드를 3축 타원체 형태로 근사하여 정밀도를 확보함. | [1] Sari & Gofuku(2023)는 RGB-D 카메라로 음식 이미지를 촬영한 후 포인트 클라우드 기반으로 부피를 적분하였으며, Ellipsoid Fitting 방법으로 포인트 클라우드를 3축 타원체 형태로 근사하여 정밀도를 확보함. | ||
| − | 멀티 센서 기반 연구: | + | * 멀티 센서 기반 연구: |
[2] Gao, et al.(2019) : 음식의 부피 추정에서 스마트폰의 RGB 카메라와 마이크·스피커를 결합하여 스마트폰으로 거리와 면적을 동시에 계산하는 MUSEFood 시스템이 제안되어, 기준 물체 없이도 높은 정확도를 확보함. | [2] Gao, et al.(2019) : 음식의 부피 추정에서 스마트폰의 RGB 카메라와 마이크·스피커를 결합하여 스마트폰으로 거리와 면적을 동시에 계산하는 MUSEFood 시스템이 제안되어, 기준 물체 없이도 높은 정확도를 확보함. | ||
[3] Bae, et al.(2023) : 2D 카메라와 ToF 센서를 결합하여 상자의 가로·세로는 카메라로, 높이는 ToF 센서로 측정해 부피를 계산하는 시스템이 개발됨. 추가적으로 물체 영역 식별에 YOLACT 딥러닝 모델로 객체를 분할(segmentation)하는 방법이 사용되기도 함. | [3] Bae, et al.(2023) : 2D 카메라와 ToF 센서를 결합하여 상자의 가로·세로는 카메라로, 높이는 ToF 센서로 측정해 부피를 계산하는 시스템이 개발됨. 추가적으로 물체 영역 식별에 YOLACT 딥러닝 모델로 객체를 분할(segmentation)하는 방법이 사용되기도 함. | ||
| − | 딥러닝 기반 연구: | + | * 딥러닝 기반 연구: |
[4] Kim, et al.(2025)은 RGB-D 카메라로 얻은 Color+Depth 이미지를 입력으로, 색상 이미지는 SAM(Segment Anything Model) 으로 객체 영역을 분할하고, 깊이 이미지는 2×2 픽셀 단위로 분해하여 Fully Connected Layer가 각 요소 부피를 예측하는 네트워크를 제안함. 이 방식은 불규칙 형상에서도 평균 2.37%의 오차율을 달성하여 기존 기하 기반 방법보다 약 1.7% 향상됨. | [4] Kim, et al.(2025)은 RGB-D 카메라로 얻은 Color+Depth 이미지를 입력으로, 색상 이미지는 SAM(Segment Anything Model) 으로 객체 영역을 분할하고, 깊이 이미지는 2×2 픽셀 단위로 분해하여 Fully Connected Layer가 각 요소 부피를 예측하는 네트워크를 제안함. 이 방식은 불규칙 형상에서도 평균 2.37%의 오차율을 달성하여 기존 기하 기반 방법보다 약 1.7% 향상됨. | ||
위와 같은 기술 현황과 가정용 정수기라는 본 과제의 특징을 종합적으로 고려하였을 때, 단일 ToF 카메라를 통해정수기에서 컵의 부피를 계산하여 사용자가 요구하는 일정의 부피 비율만큼 물을 제공하는 시스템을 제안하고자 한다. | 위와 같은 기술 현황과 가정용 정수기라는 본 과제의 특징을 종합적으로 고려하였을 때, 단일 ToF 카메라를 통해정수기에서 컵의 부피를 계산하여 사용자가 요구하는 일정의 부피 비율만큼 물을 제공하는 시스템을 제안하고자 한다. | ||
| − | + | =====특허조사 및 특허 전략 분석===== | |
가에서 Volume Estimation의 기술의 현황을 언급한 바 있으며, 본 프로젝트를 통해 이를 정수기에 적용하는 것을 목표로 한다. 따라서 특허 조사의 경우 Volume Estimation 기술의 기반이 되는 특허 조사와, 관련 기술이 적용된 정수기 특허 조사의 두 축으로 나누어 진행하였다. | 가에서 Volume Estimation의 기술의 현황을 언급한 바 있으며, 본 프로젝트를 통해 이를 정수기에 적용하는 것을 목표로 한다. 따라서 특허 조사의 경우 Volume Estimation 기술의 기반이 되는 특허 조사와, 관련 기술이 적용된 정수기 특허 조사의 두 축으로 나누어 진행하였다. | ||
| − | 1) Volume Estimation 기술 특허 | + | * 1) Volume Estimation 기술 특허 |
| − | + | [[파일:음료따라조 특허조사 1.png|가운데]] | |
| − | 2 | + | [[파일:음료따라조 특허조사 2.png|765픽셀|가운데]] |
| − | + | [[파일:음료따라조 특허조사 3.png|가운데]] | |
| + | |||
| + | * 2) 유사 정수기 특허 | ||
| + | |||
| + | 컵이나 텀블러의 부피를 동적으로 인식하여 정확한 용량을 배급하는 정수기 기술을 검토하였다. 조사를 통해 확인한 결과, 컵이나 텀블러의 부피를 자동으로 측정하여 동적으로 제어하는 정수기 기술은 현재 상용화된 사례를 찾기 어려웠다. 위와 같은 한계로 인해, 본 조사는 자동 배급 기능이 구현된 정수기 특허를 중심으로 진행하였다. | ||
즉, 컵의 부피를 인식하는 것이 아니라, 사용자가 원하는 설정 용량 또는 제어 방식에 따라 자동으로 물을 배급하는 기능을 포함하는 특허들을 분석하였다. | 즉, 컵의 부피를 인식하는 것이 아니라, 사용자가 원하는 설정 용량 또는 제어 방식에 따라 자동으로 물을 배급하는 기능을 포함하는 특허들을 분석하였다. | ||
| − | + | [[파일:음료따라조 특허조사 4.png|가운데]] | |
| − | + | [[파일:음료따라조 특허조사 5.png|가운데]] | |
| − | + | [[파일:음료따라조 특허조사 6.png|가운데]] | |
| + | * 3) 특허전략 | ||
| − | + | 본 과제의 특허전략으로는, 이번 경쟁력 조사에서 진행하였듯이 먼저 KIPRIS와 Google Patents에서 유사 기술을 찾아 겹칠 위험을 확인한다. 핵심 아이디어인 단일 ToF 센서로 컵 부피를 추정하고 비율로 출수하는 방식은 시연 전에 가출원으로 우선권을 확보한다. 제품 형태가 정리되면 컵 받침 형태나 센서 배치처럼 겉으로 보이는 요소는 필요 시 디자인 보호법을 검토한다. 개발은 시판 ToF 카메라, 유량센서, 솔레노이드 밸브를 그대로 사용해 개발 속도를 높이고, 개발 과정 중에 얻어낸 실험 결과와 측정 설정은 발표 전까지 팀 내부에만 보관한다. 이를 통해 학기 내 시연은 안전하게 진행하고, 성능 데이터가 확보되면 본 출원 전환 여부와 해외 확장(PCT) 가능성까지 단계적으로 검토할 예정이다. | |
| − | |||
| + | |||
| + | * 4) 기술 로드맵 | ||
Volume Estimation 기술의 경우 시대의 흐름과 기술적인 특징을 고려하였을 때 아래와 같이 항목화 하여 분류할 수 있다. | Volume Estimation 기술의 경우 시대의 흐름과 기술적인 특징을 고려하였을 때 아래와 같이 항목화 하여 분류할 수 있다. | ||
| 115번째 줄: | 123번째 줄: | ||
딥러닝으로 이미지 세그멘테이션(SAM, YOLACT 등) 적용하여 객체 영역 자동 검출 후, Depth 이미지를 바탕으로, 각 요소 부피를 예측하는 네트워크 활용 | 딥러닝으로 이미지 세그멘테이션(SAM, YOLACT 등) 적용하여 객체 영역 자동 검출 후, Depth 이미지를 바탕으로, 각 요소 부피를 예측하는 네트워크 활용 | ||
[4] Kim, et al.(2025) | [4] Kim, et al.(2025) | ||
| − | + | Fully Connected Layer 또는 CNN 구조로 픽셀 단위 높이→부피 직접 회귀. | |
| − | + | RGB-D 카메라 입력, 2×2 픽셀 단위 부피 예측, 평균 오차 2.37%. | |
| + | |||
비교 요약: | 비교 요약: | ||
| − | + | ||
| − | + | '''단일 센서 기반 방법론:''' | |
| − | + | : 장점 : 구현이 간단함. | |
| − | + | : 단점 : 오차율 높음. | |
| − | + | '''멀티 센서 기반 방법론: ''' | |
| − | + | : 장점 : 정확도 향상 | |
| − | + | : 단점 : 구현이 상대적으로 복잡함. | |
| − | + | '''딥러닝 기반 방법론: ''' | |
| − | + | : 장점 : 불규칙 형상에서도 2~5% 오차율, | |
| + | : 단점 : 높은 컴퓨팅 성능 요구, 학습 데이터에 크게 의존 | ||
====시장상황에 대한 분석==== | ====시장상황에 대한 분석==== | ||
| 132번째 줄: | 142번째 줄: | ||
본 과제와의 차별성을 분석하기 위해 국내 온라인 유통 플랫폼인 다나와(Danawa)에서 판매량과 관심도를 기준으로 집계된 정수기 인기 상위 10개 제품을 조사하였다. 해당 제품들은 LG전자, 삼성전자, 쿠쿠, SK매직 등 주요 브랜드의 대표 모델들로, 가격대는 약 15만 원대의 보급형부터 200만 원대의 프리미엄 모델까지 다양하게 분포한다. 주요 기능으로는 냉·온·정수 제공, 살균 및 자동 관리, 앱 연동, 10ml 단위의 미세 조절 등이 있으며, 일부 고급형 제품은 출수구 높이 조절이나 회전형 파우셋과 같은 사용자 편의 기능도 포함하고 있다. 그러나 대부분의 제품들은 사용자가 직접 고정된 용량(예: 120ml, 250ml, 500ml 등)을 선택해야 한다는 한계를 가지며, 컵의 실제 부피를 자동으로 고려해 출수하는 기능은 확인되지 않았다. 조사 결과를 정리하면 아래 표와 같다. | 본 과제와의 차별성을 분석하기 위해 국내 온라인 유통 플랫폼인 다나와(Danawa)에서 판매량과 관심도를 기준으로 집계된 정수기 인기 상위 10개 제품을 조사하였다. 해당 제품들은 LG전자, 삼성전자, 쿠쿠, SK매직 등 주요 브랜드의 대표 모델들로, 가격대는 약 15만 원대의 보급형부터 200만 원대의 프리미엄 모델까지 다양하게 분포한다. 주요 기능으로는 냉·온·정수 제공, 살균 및 자동 관리, 앱 연동, 10ml 단위의 미세 조절 등이 있으며, 일부 고급형 제품은 출수구 높이 조절이나 회전형 파우셋과 같은 사용자 편의 기능도 포함하고 있다. 그러나 대부분의 제품들은 사용자가 직접 고정된 용량(예: 120ml, 250ml, 500ml 등)을 선택해야 한다는 한계를 가지며, 컵의 실제 부피를 자동으로 고려해 출수하는 기능은 확인되지 않았다. 조사 결과를 정리하면 아래 표와 같다. | ||
| − | + | [[파일:음료따라조 관련 시장에 대한 분석 1.png|가운데]] | |
조사된 상위 10개 제품을 비교한 결과, 현재 시장의 정수기들은 브랜드와 가격대에 따라 세부 기능에서 차이를 보이지만, 전반적으로 사용자가 직접 용량을 지정하는 고정 정량 방식에 머물러 있는 것으로 나타났다. 즉, 일부 모델에서 10ml 단위의 세밀한 조절이나 어플을 이용한 스마트폰과의 연동이 가능하더라도, 이는 단순히 사용자가 선택할 수 있는 범위를 넓혀준 것에 불과하다. 다양한 크기와 형태의 컵이 사용되는 실제 환경에서는 여전히 물이 넘치거나 부족해지는 불편을 해소하기 어렵다. 따라서 현재 시장 제품들은 기본적인 편의성과 위생 기능을 강화하는 데 집중되어 있으며, 컵의 부피를 자동으로 인식해 이에 맞춰 음료를 제공하는 급수 기술은 전혀 반영되지 않고 있음을 확인할 수 있었다. | 조사된 상위 10개 제품을 비교한 결과, 현재 시장의 정수기들은 브랜드와 가격대에 따라 세부 기능에서 차이를 보이지만, 전반적으로 사용자가 직접 용량을 지정하는 고정 정량 방식에 머물러 있는 것으로 나타났다. 즉, 일부 모델에서 10ml 단위의 세밀한 조절이나 어플을 이용한 스마트폰과의 연동이 가능하더라도, 이는 단순히 사용자가 선택할 수 있는 범위를 넓혀준 것에 불과하다. 다양한 크기와 형태의 컵이 사용되는 실제 환경에서는 여전히 물이 넘치거나 부족해지는 불편을 해소하기 어렵다. 따라서 현재 시장 제품들은 기본적인 편의성과 위생 기능을 강화하는 데 집중되어 있으며, 컵의 부피를 자동으로 인식해 이에 맞춰 음료를 제공하는 급수 기술은 전혀 반영되지 않고 있음을 확인할 수 있었다. | ||
| − | + | =====마케팅 전략 제시===== | |
본 과제의 스마트 디스펜서는 컵의 부피를 자동으로 인식하여 비율에 맞춰 식수를 제공한다는 점에서 기존 정수기와 뚜렷한 차별성이 존재한다. 이러한 기능을 효과적으로 시장에 알리기 위해 SWOT 분석을 기반으로 마케팅 전략을 정리하였다. | 본 과제의 스마트 디스펜서는 컵의 부피를 자동으로 인식하여 비율에 맞춰 식수를 제공한다는 점에서 기존 정수기와 뚜렷한 차별성이 존재한다. 이러한 기능을 효과적으로 시장에 알리기 위해 SWOT 분석을 기반으로 마케팅 전략을 정리하였다. | ||
| − | + | * SWOT 분석 | |
| − | 강점(Strengths) 으로는 첫째, 기존 제품에서는 찾아볼 수 없는 컵 부피 자동 인식과 비율 기반 정량 제공 기능을 보유하고 있다는 점이다. 이 기능은 사용자가 직접 용량을 선택해야 하는 번거로움을 줄이고, 다양한 크기의 컵과 텀블러에 대응할 수 있다. 둘째, 불필요한 출수를 방지해 물과 에너지를 절약하고 넘침을 줄여 위생적 사용 환경을 제공할 수 있다는 점도 강점이다. | + | '''강점(Strengths)''' 으로는 첫째, 기존 제품에서는 찾아볼 수 없는 컵 부피 자동 인식과 비율 기반 정량 제공 기능을 보유하고 있다는 점이다. 이 기능은 사용자가 직접 용량을 선택해야 하는 번거로움을 줄이고, 다양한 크기의 컵과 텀블러에 대응할 수 있다. 둘째, 불필요한 출수를 방지해 물과 에너지를 절약하고 넘침을 줄여 위생적 사용 환경을 제공할 수 있다는 점도 강점이다. |
| − | 약점(Weaknesses) 으로는 첫째, 새로운 기능 구현에 따른 초기 개발 비용과 단가 부담이 존재한다. 둘째, 소비자가 새로운 기능을 이해하고 사용하는 데 시간이 필요할 수 있다. 셋째, LG·삼성·쿠쿠 등 대기업이 장악한 정수기 시장에서 브랜드 인지도 부족은 제품 신뢰도에 불리하게 작용할 수 있다. | + | '''약점(Weaknesses)''' 으로는 첫째, 새로운 기능 구현에 따른 초기 개발 비용과 단가 부담이 존재한다. 둘째, 소비자가 새로운 기능을 이해하고 사용하는 데 시간이 필요할 수 있다. 셋째, LG·삼성·쿠쿠 등 대기업이 장악한 정수기 시장에서 브랜드 인지도 부족은 제품 신뢰도에 불리하게 작용할 수 있다. |
| − | 기회(Opportunities) 요인으로는 첫째, ‘AI 가정 트렌트 리포트 2025’, [5] ‘Survey: Global Consumers Prioritize Personalization and Security in AI Home Appliances’ [6] 등의 최근 조사결과를 보면 소비자들이 스마트 기기, 개인 맞춤형 가전에 높은 관심을 보이고 있다는 점이다. 이는 본 제품의 차별 기능과 잘 맞아떨어진다. 둘째, 1인 가구 증가와 다양한 생활 패턴 확산은 맞춤형 정수기의 수요를 높이는 환경이 된다. 이러한 부분을 기회로 사용하여 스마트 디스펜서를 어필할 수 있다. | + | '''기회(Opportunities)''' 요인으로는 첫째, ‘AI 가정 트렌트 리포트 2025’, [5] ‘Survey: Global Consumers Prioritize Personalization and Security in AI Home Appliances’ [6] 등의 최근 조사결과를 보면 소비자들이 스마트 기기, 개인 맞춤형 가전에 높은 관심을 보이고 있다는 점이다. 이는 본 제품의 차별 기능과 잘 맞아떨어진다. 둘째, 1인 가구 증가와 다양한 생활 패턴 확산은 맞춤형 정수기의 수요를 높이는 환경이 된다. 이러한 부분을 기회로 사용하여 스마트 디스펜서를 어필할 수 있다. |
| − | 위협(Threats) 으로는 첫째, 기존 대기업들이 기술을 빠르게 모방할 가능성이 높다. 둘째, 정수기 시장은 진입 장벽이 높고 경쟁이 치열해 신생 브랜드가 자리 잡기 어렵다. 셋째, 소비자들은 정수기를 실용적 관점에서 바라보는 경우가 많아, 기능에 따른 추가 비용 지불에 부담을 느낄 수 있다. | + | '''위협(Threats)''' 으로는 첫째, 기존 대기업들이 기술을 빠르게 모방할 가능성이 높다. 둘째, 정수기 시장은 진입 장벽이 높고 경쟁이 치열해 신생 브랜드가 자리 잡기 어렵다. 셋째, 소비자들은 정수기를 실용적 관점에서 바라보는 경우가 많아, 기능에 따른 추가 비용 지불에 부담을 느낄 수 있다. |
2) SWOT 전략 | 2) SWOT 전략 | ||
| 163번째 줄: | 173번째 줄: | ||
====경제적, 사회적 기대 및 파급효과==== | ====경제적, 사회적 기대 및 파급효과==== | ||
| − | 1) 기술적 경쟁력 | + | '''''1) 기술적 경쟁력 ''''' |
정수기 및 음료 디스펜서 시장은 3조 원 이상으로 추산되며, 가정 보급률은 49.4%에 육박한다. 이러한 포화 시장에서는 기존 제품과 차별화되는 혁신 기술 확보가 필요하다. 현재 판매되는 제품 대다수는 고정된 양을 제공하거나 사용자가 직접 조작하는 방식으로, 다양한 크기의 개인 용기를 사용하는 최근 추세와 맞지 않아 사용자의 불편함을 유발한다. 이에 따라 본 기술은 기존 제품과 차별화되는 경쟁력을 확보하여 성숙한 시장에서 새로운 수요를 창출할 수 있을 것으로 기대된다. | 정수기 및 음료 디스펜서 시장은 3조 원 이상으로 추산되며, 가정 보급률은 49.4%에 육박한다. 이러한 포화 시장에서는 기존 제품과 차별화되는 혁신 기술 확보가 필요하다. 현재 판매되는 제품 대다수는 고정된 양을 제공하거나 사용자가 직접 조작하는 방식으로, 다양한 크기의 개인 용기를 사용하는 최근 추세와 맞지 않아 사용자의 불편함을 유발한다. 이에 따라 본 기술은 기존 제품과 차별화되는 경쟁력을 확보하여 성숙한 시장에서 새로운 수요를 창출할 수 있을 것으로 기대된다. | ||
| − | 2) 사회적, 경제적 측면에서의 자원 절약 효과 | + | '''''2) 사회적, 경제적 측면에서의 자원 절약 효과''''' |
세계보건기구(WHO)에서 권장하는 성인 하루 물 섭취량은 1.5~2L로 4인 가구 기준 하루 최대 8L의 물을 소모한다. 물 낭비량에 대한 정확한 통계는 없으나, 출수 시 약 10%의 손실이 발생한다고 가정하면 1년 당 292L의 낭비되는 물을 절약할 수 있다. 또한 불필요한 출수를 방지함으로써 정수필터의 교체주기를 연장하고 이는 필터 폐기물의 감소 및 필터 구매 비용 절감에 기여한다. | 세계보건기구(WHO)에서 권장하는 성인 하루 물 섭취량은 1.5~2L로 4인 가구 기준 하루 최대 8L의 물을 소모한다. 물 낭비량에 대한 정확한 통계는 없으나, 출수 시 약 10%의 손실이 발생한다고 가정하면 1년 당 292L의 낭비되는 물을 절약할 수 있다. 또한 불필요한 출수를 방지함으로써 정수필터의 교체주기를 연장하고 이는 필터 폐기물의 감소 및 필터 구매 비용 절감에 기여한다. | ||
===기술개발 일정 및 추진체계=== | ===기술개발 일정 및 추진체계=== | ||
| − | |||
| − | |||
| − | |||
====구성원 및 추진체계==== | ====구성원 및 추진체계==== | ||
| − | + | [[파일:음료따라조 구성원 및 추진체계 1.png|가운데]] | |
| + | [[파일:음료따라조 구성원 및 추진체계 2.png|가운데]] | ||
==설계== | ==설계== | ||
===설계사양=== | ===설계사양=== | ||
====제품의 요구사항==== | ====제품의 요구사항==== | ||
| − | + | [[파일:음료따라조 설계사양 1.png|가운데]] | |
====설계 사양==== | ====설계 사양==== | ||
| − | + | [[파일:Figure 3.png|1000픽셀|가운데]] | |
| − | 전원부 : 본 프로젝트에서 사용할 모든 전기적 부품의 안정적인 구동을 책임지는 핵심 구성 요소로. | + | '''전원부''' : 본 프로젝트에서 사용할 모든 전기적 부품의 안정적인 구동을 책임지는 핵심 구성 요소로. |
충분한 전력 공급 능력과 전압 안정성을 확보해야 한다. 또한, 본 시스템은 상시 전원이 인가된 상태로 장시간 구동되므로, 저전력 소모, 발열 관리가 가능한 부품을 사용해야 한다. | 충분한 전력 공급 능력과 전압 안정성을 확보해야 한다. 또한, 본 시스템은 상시 전원이 인가된 상태로 장시간 구동되므로, 저전력 소모, 발열 관리가 가능한 부품을 사용해야 한다. | ||
| − | 유량 제어 장치 : 유량 제어 장치는 사용자가 설정한 목표 부피까지 정확하게 출수할 수 있도록 밸브의 개폐를 제어해야 한다. 이를 위해 솔레노이드 밸브와 유량센서를 함께 사용해야 하며, 센서는 순간 유량과 누적 부피를 실시간으로 측정할 수 있어야 한다. 밸브는 DC 12V 전원을 사용하는 솔레노이드 방식으로, 빠른 응답속도와 내구성을 확보해야 한다. 유량센서의 펄스 신호는 보조 제어장치에서 계측되어 메인 제어장치로 전송되어야 하며, 시스템은 이 데이터를 통해 목표 부피에 도달하면 자동으로 밸브를 차단해야 한다. | + | '''유량 제어 장치''' : 유량 제어 장치는 사용자가 설정한 목표 부피까지 정확하게 출수할 수 있도록 밸브의 개폐를 제어해야 한다. 이를 위해 솔레노이드 밸브와 유량센서를 함께 사용해야 하며, 센서는 순간 유량과 누적 부피를 실시간으로 측정할 수 있어야 한다. 밸브는 DC 12V 전원을 사용하는 솔레노이드 방식으로, 빠른 응답속도와 내구성을 확보해야 한다. 유량센서의 펄스 신호는 보조 제어장치에서 계측되어 메인 제어장치로 전송되어야 하며, 시스템은 이 데이터를 통해 목표 부피에 도달하면 자동으로 밸브를 차단해야 한다. |
| − | 제어장치 : 메인 제어장치는 사용하는 5인치 디스플레이 및 ToF 센서의 개발자 프레임워크를 지원하는 파이썬 및 C를 사용할 수 있는 환경이어야 하며, 상시 구동중인 정수기 환경에 맞게 장시간 저전력으로 활용가능한 임베디드 장치로 활용이 가능해야 한다. 또한 보조 제어장치는 정수기의 부품 배치 공간을 고려해, 가능한 작은 부피로 회로를 구성할 수 있어야 한다. 또한 직접적으로 연결되는 솔레노이드 밸브 및 유량센서, 메인 프로세서와 원활하게 통신 되어야 한다. | + | '''제어장치''' : 메인 제어장치는 사용하는 5인치 디스플레이 및 ToF 센서의 개발자 프레임워크를 지원하는 파이썬 및 C를 사용할 수 있는 환경이어야 하며, 상시 구동중인 정수기 환경에 맞게 장시간 저전력으로 활용가능한 임베디드 장치로 활용이 가능해야 한다. 또한 보조 제어장치는 정수기의 부품 배치 공간을 고려해, 가능한 작은 부피로 회로를 구성할 수 있어야 한다. 또한 직접적으로 연결되는 솔레노이드 밸브 및 유량센서, 메인 프로세서와 원활하게 통신 되어야 한다. |
| − | 입력장치 : 입력장치는 사용자가 출수량을 설정하고 장치를 제어할 수 있도록 하는 인터페이스 역할을 해야 한다. 또한, 사용하고자 하는 인터페이스는, 라즈베리파이에서 Python 기반의 UI가 구동될 수 있어야 한다. 사용자는 물 입력 비율을 선택할 수 있어야 하며, 실시간 유량과 잔여 출수량이 화면에 표시되어야 한다. | + | '''입력장치''' : 입력장치는 사용자가 출수량을 설정하고 장치를 제어할 수 있도록 하는 인터페이스 역할을 해야 한다. 또한, 사용하고자 하는 인터페이스는, 라즈베리파이에서 Python 기반의 UI가 구동될 수 있어야 한다. 사용자는 물 입력 비율을 선택할 수 있어야 하며, 실시간 유량과 잔여 출수량이 화면에 표시되어야 한다. |
===개념설계안=== | ===개념설계안=== | ||
| − | + | ====평가기준==== | |
| + | [[파일:음료따라조 개념설계안 1.png|가운데]] | ||
==== 평가 내용 및 결과 ==== | ==== 평가 내용 및 결과 ==== | ||
| 213번째 줄: | 222번째 줄: | ||
| − | + | [[파일:음료따라조 이론적계산 1.png|가운데]] | |
| 220번째 줄: | 229번째 줄: | ||
| − | + | [[파일:음료따라조 이론적계산 2.png|가운데]] | |
| 229번째 줄: | 238번째 줄: | ||
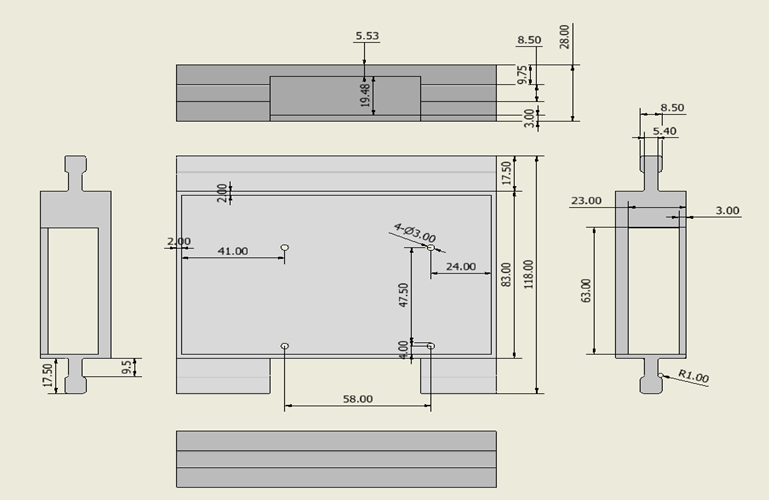
===상세설계 내용=== | ===상세설계 내용=== | ||
| − | + | ====조립도==== | |
| + | 우측면도에는 A–A 단면, B–B 단면 등 각 단면의 위치와 정보를 표시하였으며, 그 하단에는 이에 대응하는 각 단면도의 상세 도면을 배치하였다. | ||
| + | |||
| + | =====우측면도===== | ||
| + | |||
| + | [[파일:Figure 4.png|가운데]] | ||
| + | |||
| + | =====A-A 단면===== | ||
| + | |||
| + | [[파일:Figure 5.png|가운데]] | ||
| + | |||
| + | =====B-B 단면===== | ||
| + | |||
| + | [[파일:Figure 6.png|가운데]] | ||
| + | |||
| + | =====C-C 단면===== | ||
| + | |||
| + | [[파일:Figure 7.png|가운데]] | ||
| + | |||
| + | =====D-D 단면===== | ||
| + | |||
| + | [[파일:Figure 8.png|가운데]] | ||
| + | |||
| + | =====정면도===== | ||
| + | |||
| + | [[파일:Figure 9.png|가운데]] | ||
| + | |||
| + | =====조립체 목록===== | ||
| + | |||
| + | [[파일:음료따라조 조립체목록 !.png|가운데]] | ||
| + | |||
| + | ====조립순서==== | ||
| + | ======1) 프로파일 조립순서====== | ||
| + | [[파일:Figure 10.png|가운데]] | ||
| + | [[파일:Figure 11.png|가운데]] | ||
| + | |||
| + | 1) 1번 부품인 프로파일끼리 설계된 크기에 맞게 서로 맞댄다. | ||
| + | |||
| + | 2) 2번 부품인 스틸이너브라켓을 준비한다. | ||
| + | |||
| + | 3) 2번 부품에 3번 부품인 M6 너트를 한쪽은 바깥쪽에, 나머지 한쪽은 안쪽에 넣는다. | ||
| + | |||
| + | 4) 3번 과정을 거친 스틸이너브라켓을 프로파일 사이에 껴둔다. | ||
| + | |||
| + | 5) 4번 부품을 이용하여 브라켓을 프로파일에 고정시킨다. | ||
| + | |||
| + | ====부품도==== | ||
| + | 타 부품들의 고정부는 시스템 구성 요소들을 안정적으로 지지하고 위치를 고정하기 위해 설계되었다. 각 고정부는 알루미늄 프로파일 구조에 체결이 용이하도록 형상을 설계하였으며, 볼트 체결 방식을 적용하여 조립성과 유지보수성을 동시에 고려하였다. | ||
| + | |||
| + | =====유량센서 행거===== | ||
| + | [[파일:Figure 12.png|가운데]] | ||
| + | |||
| + | =====스크린 커버===== | ||
| + | [[파일:Figure 13.png|가운데]] | ||
| + | |||
| + | =====ToF 센서 받침대===== | ||
| + | [[파일:Figure 14.png|가운데]] | ||
| + | |||
| + | ====제어부 및 회로설계==== | ||
| + | =====System Schematic===== | ||
| + | [[파일:Figure 15.png|가운데]] | ||
| + | |||
| + | 전체 회로 시스템은 다음과 같이 구성되고, 크게 전원부, 제어부, 구동부로 명명하여 설명을 진행한다. | ||
| + | |||
| + | =====전원부===== | ||
| + | 전원부는 SMPS, 9V 스텝다운 모듈, 5V 스텝다운 모듈로 구성된다. | ||
| + | 본 시스템은 AC 220V 사용 전원을 기반으로 하며, 이를 SMPS를 통해 안정적인 DC 전압으로 1차 변환한다. SMPS에서 출력된 DC 전압은 각 구성품(라즈베리 파이 5, 아두이노 우노 등)이 요구하는 전압 조건을 고려해 9V, 5V 스텝다운 모듈을 사용해 재 변환된다. 이를 통해 전체 시스템의 전력 안전성을 확보하고, 각 구성요소의 허용 전압 상황에서 동작할 수 있는 기반을 마련했다. | ||
| + | |||
| + | =====제어부===== | ||
| + | 제어부는 라즈베리 파이 5, 아두이노 우노로 구성되며, 두 보드는 역할이 명확히 구분되어 상호 보완적으로 동작한다. | ||
| + | 라즈베리 파이 5는 시스템의 상위 제어를 담당한다. 디스플레이를 통해 사용자로부터 목표 유량을 퍼센트 형식으로 입력 받고 동시에 ToF 센서를 작동시켜 컵의 형상을 측정하고 부피를 계산한다. 부피 계산이 완료된 다음에는 USB 시리얼로 연결된 아두이노에 목표 값을 전달한다. | ||
| + | 아두이노 우노는 라즈베리 파이에서 전달된 목표 유량 값을 기반으로, 유량 센서와 펌프를 실시간으로 제어하는 하위 제어 역할을 담당한다. 유량센서의 펄스 신호를 인터럽트 방식으로 측정하여 출수 되고 있는 실제 유량을 계산하고, 목표치에 도달하면 펌프를 자동으로 정지시키는 임베디드 제어 알고리즘을 실행한다. | ||
| + | |||
| + | =====구동부===== | ||
| + | 구동부는 TOF 센서, 워터 펌프, 유량 센서, 라즈베리 파이 스크린으로 구성된다. | ||
| + | ToF센서는 Arducam 사의 ToF 카메라를 사용하며 940nm 파장의 적외선 레이저가 돌아오는 거리를 측정한다. ToF 센서는 사용자의 터치 입력이 들어온 후 작동하여 컵의 Depthmap을 측정한다. 측정된 데이터를 바탕으로 라즈베리파이에서 컵의 부피를 추정하며, 계산 완료된 부피 값을 아두이노로 전달한다. | ||
| + | |||
| + | 워터펌프는 실제로 물을 공급하는 핵심 출력 장치로, 아두이노의 제어 신호에 따라 속도 조절 및 ON/OFF 제어가 이루어진다. 시스템은 목표 유량에 도달하면 자동으로 펌프를 정지시키도록 구현되어 정량 출수 기능을 수행한다. 유량센서는 펌프를 통해 흐르는 물의 실제 유량을 검출하는 장치로, 터빈 회전에 따른 펄스 신호를 발생시킨다. 아두이노는 인터럽트를 통해 이 펄스 신호를 측정하고, 펄스의 값과 유량의 선형관계를 통해 실제 유량으로 환산하여 사용한다. 라즈베리파이 스크린은 사용자 인터페이스를 제공한다. 사용자는 화면에서 목표 유량을 직접 입력할 수 있고, 현재 출수량 등을 직관적으로 확인할 수 있다. 이는 사용성과 접근성을 향상시키며, 전체 시스템을 사용자 중심 인터페이스 기반의 정량 제어 장치로 구성할 수 있게 한다. | ||
| + | |||
| + | |||
| + | |||
| + | |||
| + | ====소프트웨어 설계==== | ||
| + | =====리만합 방식 부피측정 로직===== | ||
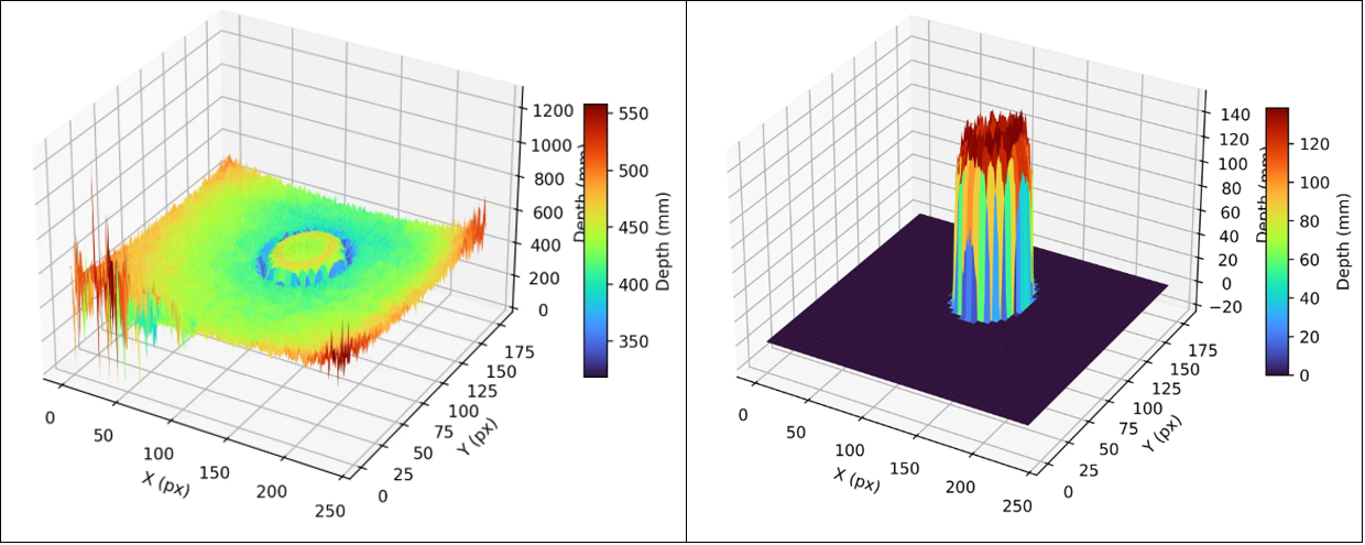
| + | |||
| + | 리만합 방식의 부피 추정 방법은, ToF 센서를 활용하여 컵 내부의 픽셀을 마스킹하고 픽셀 하나의 부피를 측정하여 ∑▒A_pixel *D_depth를 계산하여 합을 구하는 방식이다. 때문에 ToF 카메라의 depth값의 정확도와, 렌즈 왜곡을 보정하는 과정이 중요하며, 데이터의 노이즈 최소화가 정확한 부피 측정에 중요하게 작용한다. | ||
| + | |||
| + | [[파일:Figure 16.png|가운데]] | ||
| + | |||
| + | 정확한 부피추정을 위해 카메라를 일반적인 비전센서 방식대로 보정하기 위해 Depth Data(0~2000)를 0~255 범위로 리스케일링하여 그레이스케일 이미지로 변환하고, opencv의 findChessboardCorners 함수로 격자점을 추출하여 카메라 계수를 구했다. 또한 노이즈를 줄이기 위해 fft 변환 후 고주파 대역을 마스킹하여 후처리하는 방법을 사용했으나 실제 데이터와의 왜곡이 생겨 부피 추정에 큰 오차가 발생한다. | ||
| + | |||
| + | =====Pytorch 활용 부피 측정 로직 최적화===== | ||
| + | |||
| + | 기존 데이터 기반의 방법론은 컵의 모든 포인트 지점을 부피계산에 활용하기 때문에, 노이즈 데이터가 포함되면 부피측정의 오차가 심해지는 경향이 존재했다. 이 문제를 개선하기 위해 데이터를 전처리하고, 지름, 높이, 카메라로부터 컵까지의 거리 등 강건한 특성만을 활용하여 컵의 부피를 추정하는 로직을 새로 구성했다. 또한 유리컵의 경우 유리컵 뚜껑의 경우 수직에 가까울 수록 굴절되는 현상이 림 부분에서는 뚜렷하게 나타나기 때문에, 림과 바닥의 데이터를 바탕으로 유리 부피를 복원하는 방법까지 고려할 수 있었다. | ||
| + | |||
| + | 이러한 가정을 바탕으로 부피를 측정하는 방법을 픽셀 기반의 리만합 방식과 컵의 형상을 10개의 개별 원기둥으로 나누어 각각 부피를 측정하고 합하는 방식으로 나누었다. 각각의 부피의 오차를 보정해줄 수 있는 보정계수를 곱해주고, 두 방식으로 구한 부피에 가중치를 두어 합하는 방식을 새로 적용하였다. 보정계수의 경우 PINN의 Inverse problem 방식을 응용함으로써 정확한 부피를 추정할 수 있도록 학습을 진행했다. | ||
| + | |||
| + | * 1) 기본 부피 모델 | ||
| + | 리만합 방식의 경우 컵의 데이터 노이즈가 적은 경우에 정확한 부피를 추정할 수 있으며, 유리컵의 경우 노이즈가 많기 때문에 정확성을 희생하더라도 형상 기반으로 부피를 추정하는 것이 유효하다. | ||
| + | |||
| + | [[파일:음료따라조 소프트웨어설계 식1.png|가운데]] | ||
| + | |||
| + | * 2) 보정계수 | ||
| + | 기본 부피 모델의 초기 계산값은 실제값과 상당한 차이가 발생한다. 이를 보정해주기 위해, 카메라와 컵 사이의 거리, 컵의 넓적한 정도, 카메라 시점을 계산하여 적절한 보정계수 K를 구할 수 있도록 항을 구성했다. | ||
| + | |||
| + | [[파일:음료따라조 소프트웨어설계 식2.png|가운데]] | ||
| + | |||
| + | * 3) Gating 매커니즘 | ||
| + | 게이팅 계수는 depth data의 노이즈가 많을수록 형상 방식의 가중치를 높이며, 노이즈가 적을수록 리만합 방식의 가중치를 높여 최종 부피를 결정한다. 게이팅 계수 또한 학습을 통해 결정되며, 픽셀 분포의 분산이 높을수록 그 값이 커진다. | ||
| + | |||
| + | [[파일:음료따라조 소프트웨어설계 식3.png|가운데]] | ||
| + | |||
| + | * 4) 학습 | ||
| + | 학습은 pytorch을 이용하여 15,000 epoch 학습시켰으며(5분), 데이터셋은 구현한 정수기에서 촬영한 컵 별 28개 데이터, 총 224개의 데이터를 사용하였다. 검증을 위해 training 데이터, validation 데이터, test 데이터를 6 : 2 : 2 로 나누어 학습과 테스트, 최적 모델 선정에 활용하였다. | ||
| + | |||
| + | [[파일:Figure 17.png|가운데]] | ||
| + | [[파일:Figure 18.png|가운데]] | ||
| + | |||
| + | * 5) 학습 결과 | ||
| + | [[파일:Figure 19.png|가운데]] | ||
| + | 학습 결과 평균적으로 약 4% 이하의 평균적인 오차가 발생하였다. | ||
==결과 및 평가== | ==결과 및 평가== | ||
===완료 작품의 소개=== | ===완료 작품의 소개=== | ||
====프로토타입 사진 혹은 작동 장면==== | ====프로토타입 사진 혹은 작동 장면==== | ||
| − | + | [[파일:음료따라조 완료작품소개.png|가운데]] | |
| + | |||
====포스터==== | ====포스터==== | ||
| − | + | [[파일:음료따라조 포스터.png|가운데]] | |
===관련사업비 내역서=== | ===관련사업비 내역서=== | ||
| − | + | [[파일:음료따라조 개발사업비내역서.png|가운데]] | |
===완료작품의 평가=== | ===완료작품의 평가=== | ||
| − | + | [[파일:음료따라조 완료작품의평가.png|가운데]] | |
===향후계획=== | ===향후계획=== | ||
| 252번째 줄: | 382번째 줄: | ||
===특허 출원 내용=== | ===특허 출원 내용=== | ||
| − | + | [[파일:특.png|1000픽셀|가운데]] | |
===부록=== | ===부록=== | ||
| 274번째 줄: | 404번째 줄: | ||
[8] Y. A. Sari and A. Gofuku, “Measuring food volume from RGB-Depth image with point cloud conversion method using geometrical approach and robust ellipsoid fitting algorithm,” Journal of Food Engineering, vol. 358, p. 111656, Dec. 2023 | [8] Y. A. Sari and A. Gofuku, “Measuring food volume from RGB-Depth image with point cloud conversion method using geometrical approach and robust ellipsoid fitting algorithm,” Journal of Food Engineering, vol. 358, p. 111656, Dec. 2023 | ||
| + | |||
[9] J. Gao, W. Tan, L. Ma, Y. Wang, and W. Tang, “MUSEFood: Multi-sensor-based Food Volume Estimation on Smartphones,” June 08, 2019, arXiv: arXiv:1903.07437 | [9] J. Gao, W. Tan, L. Ma, Y. Wang, and W. Tang, “MUSEFood: Multi-sensor-based Food Volume Estimation on Smartphones,” June 08, 2019, arXiv: arXiv:1903.07437 | ||
| + | |||
[10] J.-W. Bae, D.-H. Seo, and J.-H. Seong, “Two-dimensional camera and TOF sensor-based volume measurement system for automated object volume measuring,” jamet, vol. 47, no. 6, pp. 419–426, Dec. 2023 | [10] J.-W. Bae, D.-H. Seo, and J.-H. Seong, “Two-dimensional camera and TOF sensor-based volume measurement system for automated object volume measuring,” jamet, vol. 47, no. 6, pp. 419–426, Dec. 2023 | ||
| + | |||
[11] J. Kim, D. Lee, and S. Kwon, “Volume Estimation Method for Irregular Object Using RGB-D Deep Learning,” Electronics, vol. 14, no. 5, p. 919, Jan. 2025 | [11] J. Kim, D. Lee, and S. Kwon, “Volume Estimation Method for Irregular Object Using RGB-D Deep Learning,” Electronics, vol. 14, no. 5, p. 919, Jan. 2025 | ||
| + | |||
[12] “Estimating a volume of contents in a container of a work vehicle,” U.S. Patent 11,417,008 B2. | [12] “Estimating a volume of contents in a container of a work vehicle,” U.S. Patent 11,417,008 B2. | ||
| + | |||
[13] “Time of flight sensor, camera using time of flight sensor, and related method of operation,” U.S. Patent Application 2013/0235364 A1. | [13] “Time of flight sensor, camera using time of flight sensor, and related method of operation,” U.S. Patent Application 2013/0235364 A1. | ||
| + | |||
[14] “딥러닝 기반 음식 이미지 부피 측정 방법,” Korean Patent 10-2544742-0000. | [14] “딥러닝 기반 음식 이미지 부피 측정 방법,” Korean Patent 10-2544742-0000. | ||
| + | |||
[15] “중량조절을 이용한 자동급수량조절 기능을 구비한 정수기,” Korean Utility Model 20-0487376-0000. | [15] “중량조절을 이용한 자동급수량조절 기능을 구비한 정수기,” Korean Utility Model 20-0487376-0000. | ||
| + | |||
[16] “컵 기울기에 대응한 급수량 제어 기능을 구비한 정수기 장치,” Korean Utility Model 20-2018-0001348. | [16] “컵 기울기에 대응한 급수량 제어 기능을 구비한 정수기 장치,” Korean Utility Model 20-2018-0001348. | ||
| + | |||
[17] K. M. Chase, R. L. Jeffery, M. J. Nibbelink, B. Wendling, R. Mehta, V. Kadchhud, G. Hatch, and M. Fatunde, “Sensor system for a refrigerator dispenser,” U.S. Patent 7,673,661 B2, Whirlpool Corporation, Mar. 9, 2010 | [17] K. M. Chase, R. L. Jeffery, M. J. Nibbelink, B. Wendling, R. Mehta, V. Kadchhud, G. Hatch, and M. Fatunde, “Sensor system for a refrigerator dispenser,” U.S. Patent 7,673,661 B2, Whirlpool Corporation, Mar. 9, 2010 | ||
| + | |||
[18] F. Ashrafzadeh, K. M. Chase, B. P. Janke, S. Kanchanavally, and J. Kerner, “Hands-free, controlled autofill for a dispenser,” U.S. Patent 8,813,794 B2, Whirlpool Corporation, Aug. 26, 2014. | [18] F. Ashrafzadeh, K. M. Chase, B. P. Janke, S. Kanchanavally, and J. Kerner, “Hands-free, controlled autofill for a dispenser,” U.S. Patent 8,813,794 B2, Whirlpool Corporation, Aug. 26, 2014. | ||
2025년 12월 17일 (수) 09:26 기준 최신판
프로젝트 개요
기술개발 과제
국문 : 컵 사이즈 자동 인식을 통한 음료 디스펜서
영문 : Smart Dispenser with Cup Size Recognition
과제 팀명
음료따라조
지도교수
이*일 교수님
개발기간
2025년 9월 ~ 2025년 12월 (총 4개월)
구성원 소개
서울시립대학교 기계정보공학과 20204300** 구*본(팀장)
서울시립대학교 기계정보공학과 20204300** 신*호
서울시립대학교 기계정보공학과 20204300** 조*규
서울시립대학교 기계정보공학과 20204300** 최*현
서론
개발 과제의 개요
개발 과제 요약
본 과제는 ToF 센서를 활용하여 종이컵, 머그컵, 텀블러 등 다양한 용기의 부피를 자동으로 측정하고, 유량 센서와 솔레노이드 펌프를 통해 정밀한 양의 음료를 토출하는 스마트 디스펜서 개발을 목표로 한다. 기존 디스펜서는 사용자가 직접 레버를 조작하거나 사전에 정해진 고정 용량(125ml, 250ml 등)만 제공하기 때문에, 실제 사용하는 컵의 크기와 맞지 않아 음료가 넘치거나 부족해지는 불편함이 자주 발생한다. 이로 인해 사용자는 출수 과정을 계속 지켜보며 수동으로 양을 조절해야 하고, 이는 음료 낭비와 위생 문제, 시간 낭비로 이어진다. 본 과제는 이러한 한계를 해결하기 위해 컵의 부피를 자동으로 인식하고, 이에 적응적으로 동작하여 사용자의 컵에 최적화된 양을 제공함으로써 편의성과 효율성을 동시에 높이는 것을 목표로 한다.
개발 과제의 배경
현재 보편적으로 사용되는 음료 디스펜서는 사용자가 직접 레버를 조작하는 수동 방식이 대부분이다. 일부 고급 모델은 125ml, 250ml 등 사전에 설정된 정량을 제공하는 기능이 있으나, 이는 사용자의 컵 크기를 고려하지 않은 고정적인 방식이다. 최근 소비자들이 다양한 크기와 형태의 컵, 텀블러를 사용하는 상황에서 고정 정량 방식은 음료가 넘치거나 부족한 상황을 빈번하게 유발한다. 이로 인해 사용자는 토출 과정을 주시하며 수동으로 양을 조절해야 하는 불편함을 겪는다. 기존 디스펜서의 수동적이고 고정적인 작동 방식을 개선하기 위해, 사용자의 개별 용기(컵, 텀블러 등)를 시스템이 자동으로 인식하고 컵에 적응형으로 동작하는 새로운 방식이 요구된다.
개발 과제의 목표 및 내용
본 과제에서는 컴퓨터 비전 기술을 기반으로 컵의 용량을 실시간으로 자동 파악하고, 사용자가 원하는 비율만큼 정확하게 음료를 제공하는 지능형 디스펜서 시스템 개발을 목표로 한다. 본 과제는 하드웨어 제작과 소프트웨어 개발이 융합된 형태로, 각 영역에 최적화된 도구를 아래와 같이 활용하였다.
하드웨어(H/W): 정량 출수를 위한 디스펜서 구현, 전체 전장 제어 인프라 구축
- 프레임 및 외장: 아크릴 및 알루미늄 프로파일을 이용하여 디스펜서의 기본 구조를 제작하고, 3D 프린터(FDM 방식)를 활용하여 센서 마운트, 유량 센서 행거 등 맞춤형 부품을 제작한다. - 토출 시스템: 일정량의 액체를 정밀하게 토출하기 위해 YF-B2 유량센서와, 다이어프램식 워터 펌프를 사용한다. 유량 센서를 추가하여 실제 토출량을 측정하고 제어 신호를 보정하는 폐루프 시스템을 아두이노를 통해 구성하였고, 이를 S/W에서 개발한 부피 측정 알고리즘과 연동하였다.
소프트웨어 (S/W): 작동 환경과 다양한 용기에 적용가능한 부피 추정 알고리즘 구현
- 개발 언어 및 환경: Python을 주력 언어로 사용하며, OpenCV 라이브러리를 통해 이미지 처리 및 컵의 특징점(높이, 지름) 추출 알고리즘을 구현한다. 또한 Pytorch를 활용하여 컵, 텀블러 데이터셋을 통해 이미지로부터 용량을 추정하는 모델을 학습시키고 보드에 맞게 경량화 하여 두 알고리즘의 성능을 비교한다.
- A. 개발 알고리즘 계획
- i. 센서 데이터 기반 컵 용량 측정
- 초음파, 적외선 센서를 회전시켜, 컵의 2차원 형상 데이터를 극좌표 형식으로 취득한다. 컵의 형상이 회전체라고 가정하고, 형상 데이터를 적분해 컵의 전체 용량을 유추해내는 알고리즘이다. 이 경우 센서의 분해능이 중요하므로 초음파, 적외선을 이용하여 센서의 성능평가를 선행 과정으로 수행하고 적절한 센서를 선택할 계획이다. 센서의 회전은 스텝모터를 이용하여 각도 제어의 오차를 최소화할 수 있을 것으로 예상한다.
- ii. 컵 용량 데이터셋을 통한 CNN 모델 학습
- 자주 사용하는 텀블러와, 일반적으로 판매되는 종이컵의 데이터를 획득하고 용량 데이터를 라벨링하여 용량을 파악하는 방법이다. 적절한 데이터셋을 찾고, 필요하다면 직접 데이터셋을 구성하여 학습을 진행할 계획이다.
- B. 설계 및 시뮬레이션
Autodesk사의 Inventor 등의 3D CAD 소프트웨어를 사용하여 하드웨어 구조를 설계하고, 필요한 경우, 조립 시뮬레이션을 통해 부품 간의 간섭을 확인하는 과정이다. 이후 실제 구동부만 조립하여 정량이 토출되는지, 누수의 문제는 없는지 검증하는 절차를 수행한다.
- C. 프로세스 블록 다이어그램
관련 기술의 현황
관련 기술의 현황 및 분석
State of art
본 개발 과제에서 핵심적으로 사용되는 기술은, 사용자로부터 놓이게 되는 컵의 부피를 측정하는 기술이다. 해당 기술은 단순히 컵의 부피를 측정하는 것에 국한되는 것이 아니라, 물류, 식품, 산업 등 다양한 분야에서 사용되는 물체에 대해 부피를 비접촉식으로 정밀하게 측정하는 ‘Volume Estimation’이라는 기술 키워드로 일반적으로 정의될 수 있다. 본 항목에서는 해당 기술에 대한 최신 현황에 대해 살펴보고자 한다.
해당 기술 초기에는 초음파 센서 등의 단일 센서 데이터를 기반으로, 부피를 측정하고자 하는 대상 물체에 대한 단순한 기하학적 형상의 가정을 바탕으로 부피를 계산하는 것으로 제한되었다. 최근에는 카메라, Depth 센서, 딥러닝 기반 방법들이 등장하면서 불규칙한 형상까지도 정밀하게 측정하는 것이 가능해졌다. 아래는 Volume Estimation과 관련되어 최근 수행되는 연구들을 항목화하여 나타낸 것이다.
- 단일 센서 기반 연구:
RGB-D 카메라(예: Intel RealSense)를 단독으로 사용하여 감자·과일 등 농산물의 부피를 추정하는 연구들이 진행됨. 단일 Depth 데이터로 픽셀 높이를 적분하여 부피를 계산하는 방식이 일반적임.
[1] Sari & Gofuku(2023)는 RGB-D 카메라로 음식 이미지를 촬영한 후 포인트 클라우드 기반으로 부피를 적분하였으며, Ellipsoid Fitting 방법으로 포인트 클라우드를 3축 타원체 형태로 근사하여 정밀도를 확보함.
- 멀티 센서 기반 연구:
[2] Gao, et al.(2019) : 음식의 부피 추정에서 스마트폰의 RGB 카메라와 마이크·스피커를 결합하여 스마트폰으로 거리와 면적을 동시에 계산하는 MUSEFood 시스템이 제안되어, 기준 물체 없이도 높은 정확도를 확보함.
[3] Bae, et al.(2023) : 2D 카메라와 ToF 센서를 결합하여 상자의 가로·세로는 카메라로, 높이는 ToF 센서로 측정해 부피를 계산하는 시스템이 개발됨. 추가적으로 물체 영역 식별에 YOLACT 딥러닝 모델로 객체를 분할(segmentation)하는 방법이 사용되기도 함.
- 딥러닝 기반 연구:
[4] Kim, et al.(2025)은 RGB-D 카메라로 얻은 Color+Depth 이미지를 입력으로, 색상 이미지는 SAM(Segment Anything Model) 으로 객체 영역을 분할하고, 깊이 이미지는 2×2 픽셀 단위로 분해하여 Fully Connected Layer가 각 요소 부피를 예측하는 네트워크를 제안함. 이 방식은 불규칙 형상에서도 평균 2.37%의 오차율을 달성하여 기존 기하 기반 방법보다 약 1.7% 향상됨.
위와 같은 기술 현황과 가정용 정수기라는 본 과제의 특징을 종합적으로 고려하였을 때, 단일 ToF 카메라를 통해정수기에서 컵의 부피를 계산하여 사용자가 요구하는 일정의 부피 비율만큼 물을 제공하는 시스템을 제안하고자 한다.
특허조사 및 특허 전략 분석
가에서 Volume Estimation의 기술의 현황을 언급한 바 있으며, 본 프로젝트를 통해 이를 정수기에 적용하는 것을 목표로 한다. 따라서 특허 조사의 경우 Volume Estimation 기술의 기반이 되는 특허 조사와, 관련 기술이 적용된 정수기 특허 조사의 두 축으로 나누어 진행하였다.
- 1) Volume Estimation 기술 특허
- 2) 유사 정수기 특허
컵이나 텀블러의 부피를 동적으로 인식하여 정확한 용량을 배급하는 정수기 기술을 검토하였다. 조사를 통해 확인한 결과, 컵이나 텀블러의 부피를 자동으로 측정하여 동적으로 제어하는 정수기 기술은 현재 상용화된 사례를 찾기 어려웠다. 위와 같은 한계로 인해, 본 조사는 자동 배급 기능이 구현된 정수기 특허를 중심으로 진행하였다.
즉, 컵의 부피를 인식하는 것이 아니라, 사용자가 원하는 설정 용량 또는 제어 방식에 따라 자동으로 물을 배급하는 기능을 포함하는 특허들을 분석하였다.
- 3) 특허전략
본 과제의 특허전략으로는, 이번 경쟁력 조사에서 진행하였듯이 먼저 KIPRIS와 Google Patents에서 유사 기술을 찾아 겹칠 위험을 확인한다. 핵심 아이디어인 단일 ToF 센서로 컵 부피를 추정하고 비율로 출수하는 방식은 시연 전에 가출원으로 우선권을 확보한다. 제품 형태가 정리되면 컵 받침 형태나 센서 배치처럼 겉으로 보이는 요소는 필요 시 디자인 보호법을 검토한다. 개발은 시판 ToF 카메라, 유량센서, 솔레노이드 밸브를 그대로 사용해 개발 속도를 높이고, 개발 과정 중에 얻어낸 실험 결과와 측정 설정은 발표 전까지 팀 내부에만 보관한다. 이를 통해 학기 내 시연은 안전하게 진행하고, 성능 데이터가 확보되면 본 출원 전환 여부와 해외 확장(PCT) 가능성까지 단계적으로 검토할 예정이다.
- 4) 기술 로드맵
Volume Estimation 기술의 경우 시대의 흐름과 기술적인 특징을 고려하였을 때 아래와 같이 항목화 하여 분류할 수 있다.
1세대 (단일 센서(초음파, RGB-D 카메라 등) 기반): 초음파 센서 혹은 Microsoft Kinect, Intel RealSense 등 저비용 RGB-D 카메라 활용 Depth 이미지를 적분하여 규칙적 형상의 부피 계산.
2세대 (멀티 센서 융합 기반): 2D 카메라+ToF 센서 융합으로 가로·세로·높이를 분리 계산. [2] Gao, et al.(2019) : RGB 카메라+마이크/스피커 융합으로 거리 자동 추정. 음식 부피 계산 (MUSEFood). 멀티 센서 융합은 정확도 향상과 조명·배경 영향 최소화에 기여.
3세대 (딥러닝 기반): 딥러닝으로 이미지 세그멘테이션(SAM, YOLACT 등) 적용하여 객체 영역 자동 검출 후, Depth 이미지를 바탕으로, 각 요소 부피를 예측하는 네트워크 활용 [4] Kim, et al.(2025) Fully Connected Layer 또는 CNN 구조로 픽셀 단위 높이→부피 직접 회귀. RGB-D 카메라 입력, 2×2 픽셀 단위 부피 예측, 평균 오차 2.37%.
비교 요약:
단일 센서 기반 방법론:
- 장점 : 구현이 간단함.
- 단점 : 오차율 높음.
멀티 센서 기반 방법론:
- 장점 : 정확도 향상
- 단점 : 구현이 상대적으로 복잡함.
딥러닝 기반 방법론:
- 장점 : 불규칙 형상에서도 2~5% 오차율,
- 단점 : 높은 컴퓨팅 성능 요구, 학습 데이터에 크게 의존
시장상황에 대한 분석
- 경쟁제품 조사 비교
본 과제와의 차별성을 분석하기 위해 국내 온라인 유통 플랫폼인 다나와(Danawa)에서 판매량과 관심도를 기준으로 집계된 정수기 인기 상위 10개 제품을 조사하였다. 해당 제품들은 LG전자, 삼성전자, 쿠쿠, SK매직 등 주요 브랜드의 대표 모델들로, 가격대는 약 15만 원대의 보급형부터 200만 원대의 프리미엄 모델까지 다양하게 분포한다. 주요 기능으로는 냉·온·정수 제공, 살균 및 자동 관리, 앱 연동, 10ml 단위의 미세 조절 등이 있으며, 일부 고급형 제품은 출수구 높이 조절이나 회전형 파우셋과 같은 사용자 편의 기능도 포함하고 있다. 그러나 대부분의 제품들은 사용자가 직접 고정된 용량(예: 120ml, 250ml, 500ml 등)을 선택해야 한다는 한계를 가지며, 컵의 실제 부피를 자동으로 고려해 출수하는 기능은 확인되지 않았다. 조사 결과를 정리하면 아래 표와 같다.
조사된 상위 10개 제품을 비교한 결과, 현재 시장의 정수기들은 브랜드와 가격대에 따라 세부 기능에서 차이를 보이지만, 전반적으로 사용자가 직접 용량을 지정하는 고정 정량 방식에 머물러 있는 것으로 나타났다. 즉, 일부 모델에서 10ml 단위의 세밀한 조절이나 어플을 이용한 스마트폰과의 연동이 가능하더라도, 이는 단순히 사용자가 선택할 수 있는 범위를 넓혀준 것에 불과하다. 다양한 크기와 형태의 컵이 사용되는 실제 환경에서는 여전히 물이 넘치거나 부족해지는 불편을 해소하기 어렵다. 따라서 현재 시장 제품들은 기본적인 편의성과 위생 기능을 강화하는 데 집중되어 있으며, 컵의 부피를 자동으로 인식해 이에 맞춰 음료를 제공하는 급수 기술은 전혀 반영되지 않고 있음을 확인할 수 있었다.
마케팅 전략 제시
본 과제의 스마트 디스펜서는 컵의 부피를 자동으로 인식하여 비율에 맞춰 식수를 제공한다는 점에서 기존 정수기와 뚜렷한 차별성이 존재한다. 이러한 기능을 효과적으로 시장에 알리기 위해 SWOT 분석을 기반으로 마케팅 전략을 정리하였다.
- SWOT 분석
강점(Strengths) 으로는 첫째, 기존 제품에서는 찾아볼 수 없는 컵 부피 자동 인식과 비율 기반 정량 제공 기능을 보유하고 있다는 점이다. 이 기능은 사용자가 직접 용량을 선택해야 하는 번거로움을 줄이고, 다양한 크기의 컵과 텀블러에 대응할 수 있다. 둘째, 불필요한 출수를 방지해 물과 에너지를 절약하고 넘침을 줄여 위생적 사용 환경을 제공할 수 있다는 점도 강점이다.
약점(Weaknesses) 으로는 첫째, 새로운 기능 구현에 따른 초기 개발 비용과 단가 부담이 존재한다. 둘째, 소비자가 새로운 기능을 이해하고 사용하는 데 시간이 필요할 수 있다. 셋째, LG·삼성·쿠쿠 등 대기업이 장악한 정수기 시장에서 브랜드 인지도 부족은 제품 신뢰도에 불리하게 작용할 수 있다.
기회(Opportunities) 요인으로는 첫째, ‘AI 가정 트렌트 리포트 2025’, [5] ‘Survey: Global Consumers Prioritize Personalization and Security in AI Home Appliances’ [6] 등의 최근 조사결과를 보면 소비자들이 스마트 기기, 개인 맞춤형 가전에 높은 관심을 보이고 있다는 점이다. 이는 본 제품의 차별 기능과 잘 맞아떨어진다. 둘째, 1인 가구 증가와 다양한 생활 패턴 확산은 맞춤형 정수기의 수요를 높이는 환경이 된다. 이러한 부분을 기회로 사용하여 스마트 디스펜서를 어필할 수 있다.
위협(Threats) 으로는 첫째, 기존 대기업들이 기술을 빠르게 모방할 가능성이 높다. 둘째, 정수기 시장은 진입 장벽이 높고 경쟁이 치열해 신생 브랜드가 자리 잡기 어렵다. 셋째, 소비자들은 정수기를 실용적 관점에서 바라보는 경우가 많아, 기능에 따른 추가 비용 지불에 부담을 느낄 수 있다. 2) SWOT 전략
위 내용을 바탕으로, 본 과제의 마케팅 전략은 단계적으로 접근하고자 한다.
우선 초기 단계에서는 새로운 기술을 수용하기 쉬운 대학생, 1인 가구, 소규모 사무실을 주요 타깃으로 설정한다. 이 집단은 합리적인 가격과 편의성을 중시하는 특성이 있어 [7] 신기술 제품의 수용 가능성이 높다. 따라서 크라우드 펀딩 플랫폼과 SNS 채널을 적극 활용하여 제품의 혁신성과 차별성을 강조하고, 초기 인지도와 사용자 피드백을 동시에 확보한다.
중기 단계에서는 “내 컵에 맞는 스마트 디스펜서”라는 슬로건을 중심으로 브랜드 이미지를 확립한다. 온라인 체험 콘텐츠, 사용자 리뷰 기반 홍보, 협업 마케팅 등을 통해 소비자 경험을 확산시키고, 제품의 신뢰도를 높여 시장 내 입지를 강화한다.
마지막으로 장기 단계에서는 제품 기능을 헬스케어와 IoT 연동 서비스로 확장하여, 사용자의 음수량 기록 및 건강 관리, 스마트홈 기기와의 연동 등 생활 밀착형 스마트 디스펜서로 발전시키는 것을 목표로 한다. 이를 통해 단순 정수기를 넘어선 차세대 스마트 가전으로 자리매김할 수 있을 것이다.
개발과제의 기대효과
기술적 기대효과
본 기술은 컵의 부피를 자동으로 인식하여 물을 공급해주는 장치로, 비접촉식 부피 측정 기술을 높은 정확도 및 저비용으로 정수기에 적용함에 그 가치가 있다. 기존 단순 TOF 카메라 기반 부피 추정 알고리즘은 단일 Depth 기반 불규칙 형상 측정에서 다소 부정확한 정확도를 보여주었으며, 그 이상의 정밀도를 구현하기 위해서는 멀티 센서를 활용하거나 딥러닝 기반 기술을 활용해야 했다. 그러나 성능-비용 간의 높은 Trade-off로 인해 일상적인 활용에 적용하기 어려운 면이 존재했다. 이번 프로젝트는 단일 Depth 카메라를 이용해 다양한 적분 방식을 도입하여 비교하고, 이미지 처리 알고리즘을 Depth 카메라 시스템에 적용하여 높은 정확도와 저비용의 기술을 구현하는 것을 골자로 한다. 또한 이를 일상적으로 접하기 쉬운 냉온수기에 적용하여 사용자의 편의성을 극대화하고 위생적인 사용환경을 제공해줄 수 있다.
경제적, 사회적 기대 및 파급효과
1) 기술적 경쟁력
정수기 및 음료 디스펜서 시장은 3조 원 이상으로 추산되며, 가정 보급률은 49.4%에 육박한다. 이러한 포화 시장에서는 기존 제품과 차별화되는 혁신 기술 확보가 필요하다. 현재 판매되는 제품 대다수는 고정된 양을 제공하거나 사용자가 직접 조작하는 방식으로, 다양한 크기의 개인 용기를 사용하는 최근 추세와 맞지 않아 사용자의 불편함을 유발한다. 이에 따라 본 기술은 기존 제품과 차별화되는 경쟁력을 확보하여 성숙한 시장에서 새로운 수요를 창출할 수 있을 것으로 기대된다.
2) 사회적, 경제적 측면에서의 자원 절약 효과
세계보건기구(WHO)에서 권장하는 성인 하루 물 섭취량은 1.5~2L로 4인 가구 기준 하루 최대 8L의 물을 소모한다. 물 낭비량에 대한 정확한 통계는 없으나, 출수 시 약 10%의 손실이 발생한다고 가정하면 1년 당 292L의 낭비되는 물을 절약할 수 있다. 또한 불필요한 출수를 방지함으로써 정수필터의 교체주기를 연장하고 이는 필터 폐기물의 감소 및 필터 구매 비용 절감에 기여한다.
기술개발 일정 및 추진체계
구성원 및 추진체계
설계
설계사양
제품의 요구사항
설계 사양
전원부 : 본 프로젝트에서 사용할 모든 전기적 부품의 안정적인 구동을 책임지는 핵심 구성 요소로. 충분한 전력 공급 능력과 전압 안정성을 확보해야 한다. 또한, 본 시스템은 상시 전원이 인가된 상태로 장시간 구동되므로, 저전력 소모, 발열 관리가 가능한 부품을 사용해야 한다.
유량 제어 장치 : 유량 제어 장치는 사용자가 설정한 목표 부피까지 정확하게 출수할 수 있도록 밸브의 개폐를 제어해야 한다. 이를 위해 솔레노이드 밸브와 유량센서를 함께 사용해야 하며, 센서는 순간 유량과 누적 부피를 실시간으로 측정할 수 있어야 한다. 밸브는 DC 12V 전원을 사용하는 솔레노이드 방식으로, 빠른 응답속도와 내구성을 확보해야 한다. 유량센서의 펄스 신호는 보조 제어장치에서 계측되어 메인 제어장치로 전송되어야 하며, 시스템은 이 데이터를 통해 목표 부피에 도달하면 자동으로 밸브를 차단해야 한다.
제어장치 : 메인 제어장치는 사용하는 5인치 디스플레이 및 ToF 센서의 개발자 프레임워크를 지원하는 파이썬 및 C를 사용할 수 있는 환경이어야 하며, 상시 구동중인 정수기 환경에 맞게 장시간 저전력으로 활용가능한 임베디드 장치로 활용이 가능해야 한다. 또한 보조 제어장치는 정수기의 부품 배치 공간을 고려해, 가능한 작은 부피로 회로를 구성할 수 있어야 한다. 또한 직접적으로 연결되는 솔레노이드 밸브 및 유량센서, 메인 프로세서와 원활하게 통신 되어야 한다.
입력장치 : 입력장치는 사용자가 출수량을 설정하고 장치를 제어할 수 있도록 하는 인터페이스 역할을 해야 한다. 또한, 사용하고자 하는 인터페이스는, 라즈베리파이에서 Python 기반의 UI가 구동될 수 있어야 한다. 사용자는 물 입력 비율을 선택할 수 있어야 하며, 실시간 유량과 잔여 출수량이 화면에 표시되어야 한다.
개념설계안
평가기준
평가 내용 및 결과
평가기준은 위 표와 동일한 기준으로 설정하였다. 소프트웨어 구현안은 메인 제어장치 및 센서의 유형과 함께 평가하였다. Segmentation 모델을 활용한 부피측정 알고리즘, 구분구적법 기반 알고리즘, 멀티센서를 활용한 측정 알고리즘으로 나뉘었다. 그러나 segmentation 방법은 요구되는 젯슨나노 오린 프로세서의 성능과 비용이 높아 평가기준에서 후순위를 차지했다. 멀티센서 활용 알고리즘은 장치를 설계할 때 센서의 위치, 컵에 따라 센서를 이동해야 하는 등의 복잡성으로 제작 용이성과 비용 면에서 낮은 점수를 얻었다. 반면 구분구적법 기반의 알고리즘은 정확성 면에서 다른 알고리즘보다 낮은 점수를 얻었으나, 제작의 간편함과 요구되는 프로세서의 비용이 낮아 종합적으로 가장 높은 점수를 얻어 유력한 설계안으로 선정되었다.
하드웨어 구현안은 전원장치, 유량제어장치, 제어장치, 입력장치로 나뉜다. 전원장치는 전력의 걱정 없이, 주기적으로 작동해야 하는 점이 가장 크게 작용하여, 상용 220V를 바로 이용할 수 있는 SMPS를 택하였다. 본 프로젝트의 시스템은 정확한 측정을 위해 유량센서가 큰 역할을 담당하기에, 적합한 YF-B2 센서를 사용하고자 했다. 허나, 비교적 큰 직경을 가지고 있기에, 사용 배관 인서트를 사용하여 배관 연결을 진행할 예정이며, 중력식 디스펜서 노즐을 이용하여 물의 출수를 담당할 예정이다. 제어 장치로는 라즈베리파이5, 입력장치로는 GUI기반 입력을 받는 라즈베리파이 전용 LCD 스크린을 이용하여 사용자의 입력을 받고자 하며, 이는 타 설계안에 비해 심미적으로도 긍정적인 효과를 불러올 것임을 예상하였다.
이론적 계산 및 시뮬레이션
정수기 배관에서 필요한 수두 계산 탱크로부터의 유체를 상부로 이동시킬 때 마찰 등으로 인한 손실이 존재한다. 손실에 따라 필요한 펌프의 기본 SPEC이 달라지기에, 이를 손 계산을 통해 진행하였다. 펌프의 기본 양정은 높이 차로 인한 양정과 배관에서 발생하는 마찰 수두(주, 부 손실)보다 커야 한다. 1) 높이 차로 인한 양정: 본 시스템의 흡입부와 출수부의 높이 차이는 59cm이다. 2) 배관에서 마찰로 인한 수두: 주 손실과 부차적 손실로 나누어 계산을 진행한다. 2-1) 주 손실: 배관에서 주 손실은 Darcy – Weisbach 수식을 기반으로 하여 계산을 진행했다.
이때, 마찰계수(f=0.033)는 배관 내부 유동의 레이놀즈 수를 고려했을 때, 난류 유동이므로 moody-chart를 이용하여 선정했다. 결과적으로 배관에서의 주 손실은 79.7cm이다.
2-2) 부차적 손실: 부차적 손실은 엘보, 배관 부품 등에 의해 나타나고, 하기 수식을 이용했다.
엘보의 존재, 펌프의 흡, 양입으로 인한 손실을 고려했고, 부차적 손실은 84.1cm이다.
따라서 총 수두는 2.28m로 계산되고, 이를 고려하여 펌프를 선정했다.
cf) 일반적으로 주 손실이 커야 하나, 보수적인 판단을 위해 약간의 굴곡이 있는 부분을 모두 엘보로 가정하여 계산을 진행하였고, 이상적으로 6개의 엘보을 고려하게 되면서, 부차적 손실이 더 큰 결과를 가져왔다.
상세설계 내용
조립도
우측면도에는 A–A 단면, B–B 단면 등 각 단면의 위치와 정보를 표시하였으며, 그 하단에는 이에 대응하는 각 단면도의 상세 도면을 배치하였다.
우측면도
A-A 단면
B-B 단면
C-C 단면
D-D 단면
정면도
조립체 목록
조립순서
1) 프로파일 조립순서
1) 1번 부품인 프로파일끼리 설계된 크기에 맞게 서로 맞댄다.
2) 2번 부품인 스틸이너브라켓을 준비한다.
3) 2번 부품에 3번 부품인 M6 너트를 한쪽은 바깥쪽에, 나머지 한쪽은 안쪽에 넣는다.
4) 3번 과정을 거친 스틸이너브라켓을 프로파일 사이에 껴둔다.
5) 4번 부품을 이용하여 브라켓을 프로파일에 고정시킨다.
부품도
타 부품들의 고정부는 시스템 구성 요소들을 안정적으로 지지하고 위치를 고정하기 위해 설계되었다. 각 고정부는 알루미늄 프로파일 구조에 체결이 용이하도록 형상을 설계하였으며, 볼트 체결 방식을 적용하여 조립성과 유지보수성을 동시에 고려하였다.
유량센서 행거
스크린 커버
ToF 센서 받침대
제어부 및 회로설계
System Schematic
전체 회로 시스템은 다음과 같이 구성되고, 크게 전원부, 제어부, 구동부로 명명하여 설명을 진행한다.
전원부
전원부는 SMPS, 9V 스텝다운 모듈, 5V 스텝다운 모듈로 구성된다. 본 시스템은 AC 220V 사용 전원을 기반으로 하며, 이를 SMPS를 통해 안정적인 DC 전압으로 1차 변환한다. SMPS에서 출력된 DC 전압은 각 구성품(라즈베리 파이 5, 아두이노 우노 등)이 요구하는 전압 조건을 고려해 9V, 5V 스텝다운 모듈을 사용해 재 변환된다. 이를 통해 전체 시스템의 전력 안전성을 확보하고, 각 구성요소의 허용 전압 상황에서 동작할 수 있는 기반을 마련했다.
제어부
제어부는 라즈베리 파이 5, 아두이노 우노로 구성되며, 두 보드는 역할이 명확히 구분되어 상호 보완적으로 동작한다. 라즈베리 파이 5는 시스템의 상위 제어를 담당한다. 디스플레이를 통해 사용자로부터 목표 유량을 퍼센트 형식으로 입력 받고 동시에 ToF 센서를 작동시켜 컵의 형상을 측정하고 부피를 계산한다. 부피 계산이 완료된 다음에는 USB 시리얼로 연결된 아두이노에 목표 값을 전달한다. 아두이노 우노는 라즈베리 파이에서 전달된 목표 유량 값을 기반으로, 유량 센서와 펌프를 실시간으로 제어하는 하위 제어 역할을 담당한다. 유량센서의 펄스 신호를 인터럽트 방식으로 측정하여 출수 되고 있는 실제 유량을 계산하고, 목표치에 도달하면 펌프를 자동으로 정지시키는 임베디드 제어 알고리즘을 실행한다.
구동부
구동부는 TOF 센서, 워터 펌프, 유량 센서, 라즈베리 파이 스크린으로 구성된다. ToF센서는 Arducam 사의 ToF 카메라를 사용하며 940nm 파장의 적외선 레이저가 돌아오는 거리를 측정한다. ToF 센서는 사용자의 터치 입력이 들어온 후 작동하여 컵의 Depthmap을 측정한다. 측정된 데이터를 바탕으로 라즈베리파이에서 컵의 부피를 추정하며, 계산 완료된 부피 값을 아두이노로 전달한다.
워터펌프는 실제로 물을 공급하는 핵심 출력 장치로, 아두이노의 제어 신호에 따라 속도 조절 및 ON/OFF 제어가 이루어진다. 시스템은 목표 유량에 도달하면 자동으로 펌프를 정지시키도록 구현되어 정량 출수 기능을 수행한다. 유량센서는 펌프를 통해 흐르는 물의 실제 유량을 검출하는 장치로, 터빈 회전에 따른 펄스 신호를 발생시킨다. 아두이노는 인터럽트를 통해 이 펄스 신호를 측정하고, 펄스의 값과 유량의 선형관계를 통해 실제 유량으로 환산하여 사용한다. 라즈베리파이 스크린은 사용자 인터페이스를 제공한다. 사용자는 화면에서 목표 유량을 직접 입력할 수 있고, 현재 출수량 등을 직관적으로 확인할 수 있다. 이는 사용성과 접근성을 향상시키며, 전체 시스템을 사용자 중심 인터페이스 기반의 정량 제어 장치로 구성할 수 있게 한다.
소프트웨어 설계
리만합 방식 부피측정 로직
리만합 방식의 부피 추정 방법은, ToF 센서를 활용하여 컵 내부의 픽셀을 마스킹하고 픽셀 하나의 부피를 측정하여 ∑▒A_pixel *D_depth를 계산하여 합을 구하는 방식이다. 때문에 ToF 카메라의 depth값의 정확도와, 렌즈 왜곡을 보정하는 과정이 중요하며, 데이터의 노이즈 최소화가 정확한 부피 측정에 중요하게 작용한다.
정확한 부피추정을 위해 카메라를 일반적인 비전센서 방식대로 보정하기 위해 Depth Data(0~2000)를 0~255 범위로 리스케일링하여 그레이스케일 이미지로 변환하고, opencv의 findChessboardCorners 함수로 격자점을 추출하여 카메라 계수를 구했다. 또한 노이즈를 줄이기 위해 fft 변환 후 고주파 대역을 마스킹하여 후처리하는 방법을 사용했으나 실제 데이터와의 왜곡이 생겨 부피 추정에 큰 오차가 발생한다.
Pytorch 활용 부피 측정 로직 최적화
기존 데이터 기반의 방법론은 컵의 모든 포인트 지점을 부피계산에 활용하기 때문에, 노이즈 데이터가 포함되면 부피측정의 오차가 심해지는 경향이 존재했다. 이 문제를 개선하기 위해 데이터를 전처리하고, 지름, 높이, 카메라로부터 컵까지의 거리 등 강건한 특성만을 활용하여 컵의 부피를 추정하는 로직을 새로 구성했다. 또한 유리컵의 경우 유리컵 뚜껑의 경우 수직에 가까울 수록 굴절되는 현상이 림 부분에서는 뚜렷하게 나타나기 때문에, 림과 바닥의 데이터를 바탕으로 유리 부피를 복원하는 방법까지 고려할 수 있었다.
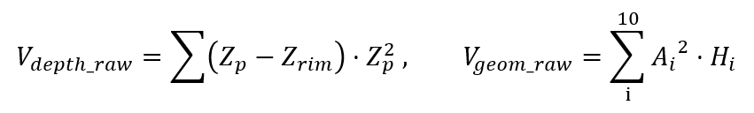
이러한 가정을 바탕으로 부피를 측정하는 방법을 픽셀 기반의 리만합 방식과 컵의 형상을 10개의 개별 원기둥으로 나누어 각각 부피를 측정하고 합하는 방식으로 나누었다. 각각의 부피의 오차를 보정해줄 수 있는 보정계수를 곱해주고, 두 방식으로 구한 부피에 가중치를 두어 합하는 방식을 새로 적용하였다. 보정계수의 경우 PINN의 Inverse problem 방식을 응용함으로써 정확한 부피를 추정할 수 있도록 학습을 진행했다.
- 1) 기본 부피 모델
리만합 방식의 경우 컵의 데이터 노이즈가 적은 경우에 정확한 부피를 추정할 수 있으며, 유리컵의 경우 노이즈가 많기 때문에 정확성을 희생하더라도 형상 기반으로 부피를 추정하는 것이 유효하다.
- 2) 보정계수
기본 부피 모델의 초기 계산값은 실제값과 상당한 차이가 발생한다. 이를 보정해주기 위해, 카메라와 컵 사이의 거리, 컵의 넓적한 정도, 카메라 시점을 계산하여 적절한 보정계수 K를 구할 수 있도록 항을 구성했다.
- 3) Gating 매커니즘
게이팅 계수는 depth data의 노이즈가 많을수록 형상 방식의 가중치를 높이며, 노이즈가 적을수록 리만합 방식의 가중치를 높여 최종 부피를 결정한다. 게이팅 계수 또한 학습을 통해 결정되며, 픽셀 분포의 분산이 높을수록 그 값이 커진다.
- 4) 학습
학습은 pytorch을 이용하여 15,000 epoch 학습시켰으며(5분), 데이터셋은 구현한 정수기에서 촬영한 컵 별 28개 데이터, 총 224개의 데이터를 사용하였다. 검증을 위해 training 데이터, validation 데이터, test 데이터를 6 : 2 : 2 로 나누어 학습과 테스트, 최적 모델 선정에 활용하였다.
- 5) 학습 결과
학습 결과 평균적으로 약 4% 이하의 평균적인 오차가 발생하였다.
결과 및 평가
완료 작품의 소개
프로토타입 사진 혹은 작동 장면
포스터
관련사업비 내역서
완료작품의 평가
향후계획
시중 타 정수기 등과 달리 워터 펌프를 사용하는 스마트 디스펜서의 특성상, 정수기 작동 시 소음이 비교적 크게 발생하며, 워터 펌프의 진동으로 인해 물의 출수부(노즐)이 떨리는 현상이 발생한다. 이에 따라 향후 펌프 구동시 발생하는 NVH 저감을 위해 구조, 제어적 개선이 필요하다.
펌프와 프레임사이에 방진 패드나, 탄성 소재등을 적용하여 기계적 진동 전달을 최소화하거나, 출수부 고정부의 구조를 보강하여 외란에 의한 흔들림을 줄이고자한다. 또한 펌프 구동 방식을 PWM 제어 기반의 점진적 구동을 적용함으로써 순간적인 진동 및 소음 발생을 완화할 계획이다. 이를 통해 개선, 전과 후의 소음 수준과 출수 안정성을 비교 분석하고, 이를 통해 사용자 편의서와 시스템 신뢰성을 동시에 향상시키도록 한다.
소프트웨어 관련 개선사항으로는 피드백 제어 방식으로의 발전 및 앱 연동 기능 추가를 통해 능동적인 작동을 수행할 수 있도록 수정할 계획이다. 현재 로직은 1회 측정후 출수 명령을 내리는 일방적 구조이다. 측정 방식에서 컵이 비어있다고 가정하고 측정 프로그램을 구성하였기 때문에, 물이 이미 채워진 경우는 파악하기 어렵기 때문이다. 추후 컵이 물에 들어있는 경우와 그렇지 않은 경우를 나누어 특징을 파악하고, 물의 높이까지 유추하여 능동적으로 작동하는 측정 로직을 통해 피드백 제어가 가능한 개선된 시스템을 구성할 계획이다.
특허 출원 내용
부록
A-1 참고문헌 및 참고사이트
[1] Y. A. Sari and A. Gofuku, “Measuring food volume from RGB-Depth image with point cloud conversion method using geometrical approach and robust ellipsoid fitting algorithm,” Journal of Food Engineering, vol. 358, p. 111656, Dec. 2023
[2] J. Gao, W. Tan, L. Ma, Y. Wang, and W. Tang, “MUSEFood: Multi-sensor-based Food Volume Estimation on Smartphones,” June 08, 2019, arXiv: arXiv:1903.07437
[3] J.-W. Bae, D.-H. Seo, and J.-H. Seong, “Two-dimensional camera and TOF sensor-based volume measurement system for automated object volume measuring,” jamet, vol. 47, no. 6, pp. 419–426, Dec. 2023
[4] J. Kim, D. Lee, and S. Kwon, “Volume Estimation Method for Irregular Object Using RGB-D Deep Learning,” Electronics, vol. 14, no. 5, p. 919, Jan. 2025
[5] 박수현, (2025, 6월 9일). AI 가전 트렌드 리포트 2025, https://blog.opensurvey.co.kr/trendreport/ai-home-appliance-2025/
[6] Samsung, (2025, 3월 21일). Survey: Global Consumers Prioritize Personalization and Security in AI Home Appliances, https://news.samsung.com/global/survey-global-consumers-prioritize-personalization-and-security-in-ai-home-appliances
[7] 손주현, (2025, 1월 6일), 1인 가구시대, '소형화'가 새로운 소비 트렌드로 떠오르다http://www.iconsumer.or.kr/news/articleView.html?idxno=27164&utm_source
A-2 관련특허 (Volume Estimation, 자동 급수 장치)
[8] Y. A. Sari and A. Gofuku, “Measuring food volume from RGB-Depth image with point cloud conversion method using geometrical approach and robust ellipsoid fitting algorithm,” Journal of Food Engineering, vol. 358, p. 111656, Dec. 2023
[9] J. Gao, W. Tan, L. Ma, Y. Wang, and W. Tang, “MUSEFood: Multi-sensor-based Food Volume Estimation on Smartphones,” June 08, 2019, arXiv: arXiv:1903.07437
[10] J.-W. Bae, D.-H. Seo, and J.-H. Seong, “Two-dimensional camera and TOF sensor-based volume measurement system for automated object volume measuring,” jamet, vol. 47, no. 6, pp. 419–426, Dec. 2023
[11] J. Kim, D. Lee, and S. Kwon, “Volume Estimation Method for Irregular Object Using RGB-D Deep Learning,” Electronics, vol. 14, no. 5, p. 919, Jan. 2025
[12] “Estimating a volume of contents in a container of a work vehicle,” U.S. Patent 11,417,008 B2.
[13] “Time of flight sensor, camera using time of flight sensor, and related method of operation,” U.S. Patent Application 2013/0235364 A1.
[14] “딥러닝 기반 음식 이미지 부피 측정 방법,” Korean Patent 10-2544742-0000.
[15] “중량조절을 이용한 자동급수량조절 기능을 구비한 정수기,” Korean Utility Model 20-0487376-0000.
[16] “컵 기울기에 대응한 급수량 제어 기능을 구비한 정수기 장치,” Korean Utility Model 20-2018-0001348.
[17] K. M. Chase, R. L. Jeffery, M. J. Nibbelink, B. Wendling, R. Mehta, V. Kadchhud, G. Hatch, and M. Fatunde, “Sensor system for a refrigerator dispenser,” U.S. Patent 7,673,661 B2, Whirlpool Corporation, Mar. 9, 2010
[18] F. Ashrafzadeh, K. M. Chase, B. P. Janke, S. Kanchanavally, and J. Kerner, “Hands-free, controlled autofill for a dispenser,” U.S. Patent 8,813,794 B2, Whirlpool Corporation, Aug. 26, 2014.





































